EasyManua.ls Logo

RIDGID AC9944 - Loose Parts

RIDGID AC9944
20 pages
Print Icon
To Next Page IconTo Next Page
To Next Page IconTo Next Page
To Previous Page IconTo Previous Page
To Previous Page IconTo Previous Page
Loading...
6
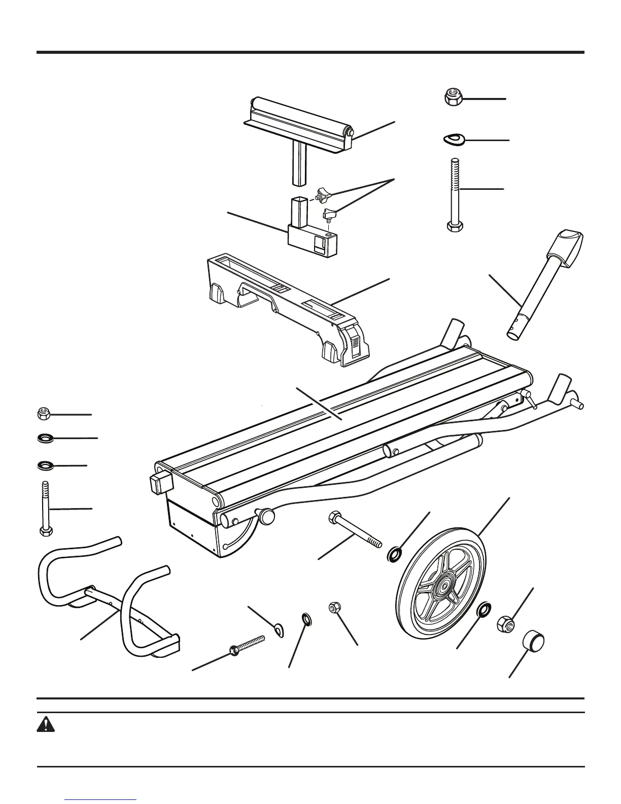
The following items are included with your miter saw workstand:
Workstand Assembly
Quick Release Saw Mounting Brackets (2)
Work Supports (2)
Work Support Brackets (2)
Adjustment Knobs (4)
End Caps (2)
Wheels (2)
Hex Bolts, M10 (2)
Washers, 24 x 13 x 2 (2)
Washers, 20 x 10.5 x 1.5 (2)
Lock Nuts, M10 (2)
Leg Supports (2)
Hex Bolts, M6 x 48 (4)
Spring Washers, 16 x 6.5 x 1.5 (8)
Lock Nuts, M6 (4)
Transport Handle
Screws, M6 x 38 (3)
Spring Washers, 16 x 6.5 x 1.5 (3)
Lock Nuts, M6 (3)
Hex Bolts, M6 (2)
Flat Washers, 16 x 6.5 x 1.5 (2)
Plastic Washers, 19 x 6.8 x 2 (2)
Lock Nuts, M6 x 55 (2)
Blister Packs - Saw Mounting Hardware
(Not Shown) (2)
Operator’s Manual (Not Shown)
LOOSE PARTS
HEX BOLTS (2)
WASHERS (2)
LOCK NUTS (2)
LOCK NUTS (4)
WORK
SUPPORTS (2)
WHEELS (2)
WARNING:
The use of attachments or accessories not listed in this manual might be hazardous and could cause serious
personal injury.
Fig. 3
SCREWS (3)
TRANSPORT
HANDLE
SPRING
WASHERS (8)
LEG
SUPPORTS (2)
LOCK NUTS (2)
ADJUSTMENT
KNOBS (4)
QUICK RELEASE
SAW MOUNTING
BRACKETS (2)
HEX BOLTS (4)
WORK
SUPPORT
BRACKETS (2)
FLAT
WASHERS (2)
HEX
BOLTS (2)
LOCK NUTS (3)
WASHERS (3)
WASHERS (2)
END CAPS (2)
SPRING
WASHERS (3)
PLASTIC
WASHERS (2)
WORKSTAND
ASSEMBLY

Related product manuals