EasyManua.ls Logo

RIDGID OF45175A - Repair Parts

RIDGID OF45175A
72 pages
Print Icon
To Next Page IconTo Next Page
To Next Page IconTo Next Page
To Previous Page IconTo Previous Page
To Previous Page IconTo Previous Page
Loading...
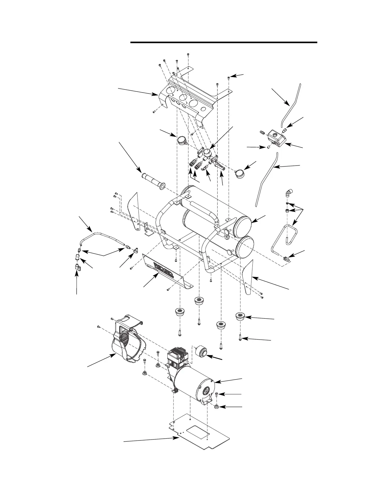
Repair Parts
18
1
19
20
21
22
24
26
16
27
28
30
32
2
5
6
7
8
9
10
12
25
14
18
31
4
11
23
15
29
17
3
13

Table of Contents

Related product manuals