EasyManua.ls Logo

RIDGID OF45175A - Page 68

RIDGID OF45175A
72 pages
Print Icon
To Next Page IconTo Next Page
To Next Page IconTo Next Page
To Previous Page IconTo Previous Page
To Previous Page IconTo Previous Page
Loading...
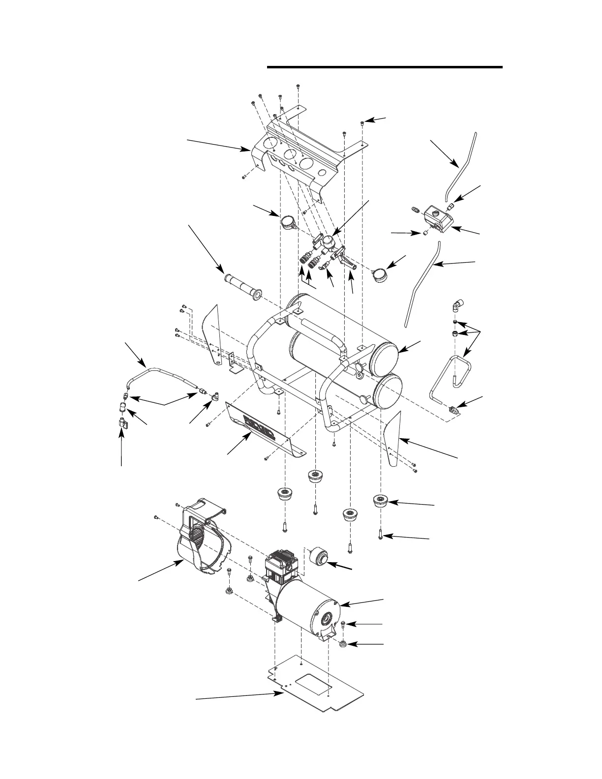
Pièces de rechange
Fr 20
1
19
20
21
22
24
26
16
27
28
30
32
2
5
6
7
8
9
10
12
25
14
18
31
4
11
23
15
29
17
3
13

Table of Contents

Related product manuals