EasyManua.ls Logo

Riello RTC 2300-80 - Page 30

Riello RTC 2300-80
56 pages
Print Icon
To Next Page IconTo Next Page
To Next Page IconTo Next Page
To Previous Page IconTo Previous Page
To Previous Page IconTo Previous Page
Loading...
30
INSTALLATION
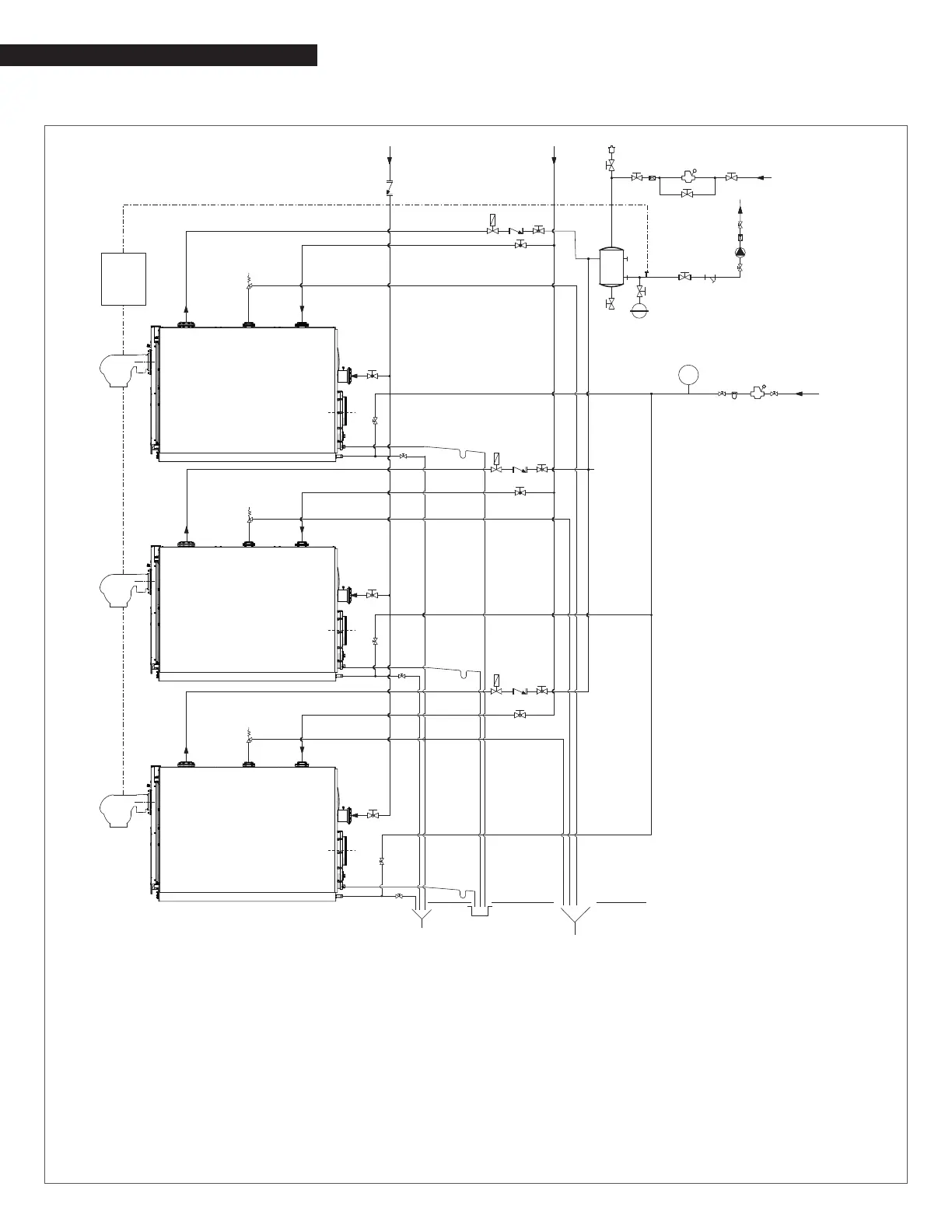
Multiple Boiler Piping Schematic with Sequencing Panel
SP
16
16
13
1415
8
19
19
8
17
16
16
17
16
19
17
17
16
16
16
16
15
6
3
3
11
3
3
3
3
10
9
5
7
7
7
3
3
3
TC
8
18
4
3
5
4
3
10
12
3
3
1
1
1
FLOW
FLOW
FLOW
MAKE-UP
WATER
WATER
INLET
LT (*)
CENTRAL
HEATING
RETURN
HT (*)
CENTRAL
HEATING
RETURN
LT
RETURN (**)
LT
RETURN (**)
LT
RETURN(**)
HT
RETURN
HT RETURN
HT RETURN
CENTRAL
HEATING
SUPPLY
20
2
2
2
1 Boiler
2 Burner
3 Isolation valves
4 Central heating system pump
5 Non-return valves
6 Automatic vent valve
7 Boiler safety valve
8 Boiler drain valve
9 Y strainer
10 Pressure reducer
11 Expansion tank
12 Water softener lter
13 Siphon
14 Condensate outlet
15 Drain
16 Isolation valve
17 Non-return valve
18 Air separator
19 Motorized isolation valve
20 Pressure gauge
SP Sequencing panel
TC Control temperature
. _ . _ . Electrical signal
(*) LT= Low Temperature/HT= High Temperature
(**) On the RTC 1000-80 to RTC 4700-80 the low
temperature heating return is located on the top
of the boiler. See "Single Boiler Piping Schematic
Type A".

Table of Contents

Related product manuals