EasyManua.ls Logo

Riello RTC 2300-80 - Page 32

Riello RTC 2300-80
56 pages
Print Icon
To Next Page IconTo Next Page
To Next Page IconTo Next Page
To Previous Page IconTo Previous Page
To Previous Page IconTo Previous Page
Loading...
32
INSTALLATION
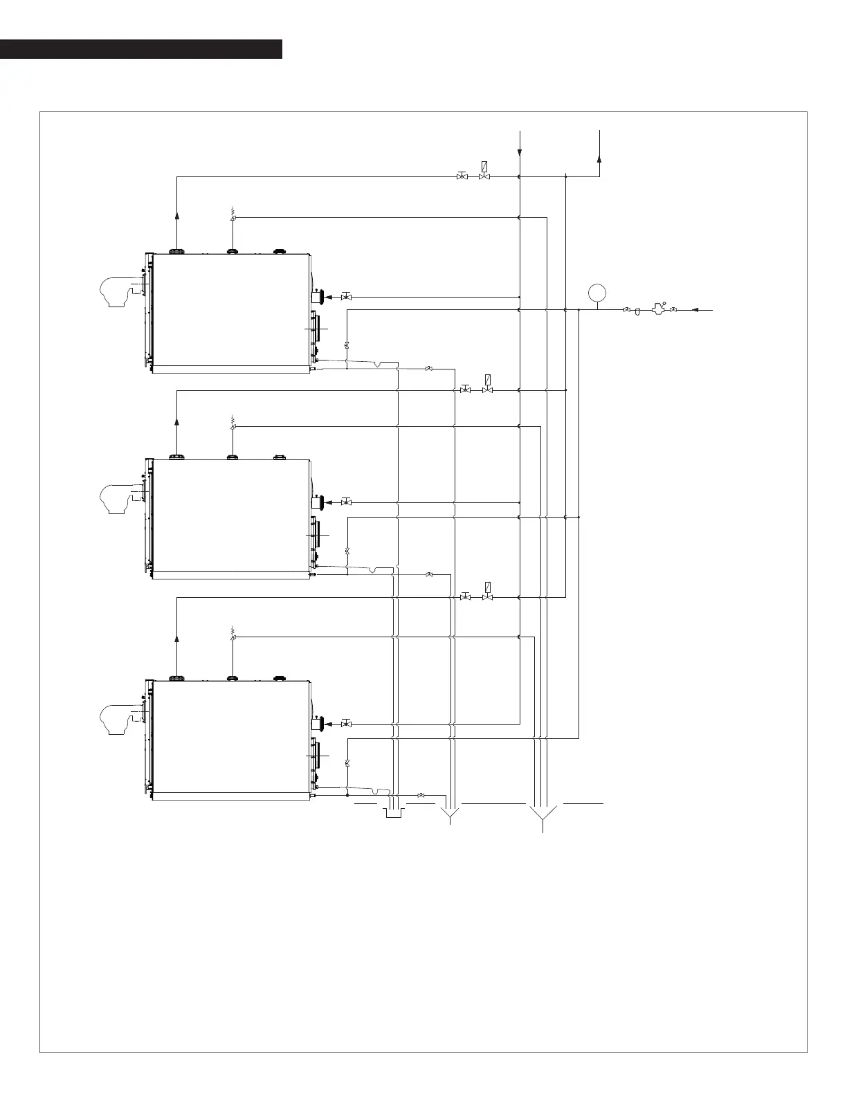
Multiple-Boiler Piping with Motorized Sequencing Valves
RIT BT
15
10
12
3
16
16
16
16
16
16
17
17
17
3
15
7
7
7
8
13
3
8
13
3
13
14
8
3
1
1
1
CENTRAL
HEATING
RETURN
CENTRAL
HEATING
SUPPLY
WATER
INLET
LT
RETURN (**)
LT
RETURN (**)
LT
RETURN (**)
FLOW
FLOW
FLOW
2
2
2
18
1 Boiler
2 Burner
3 Isolation valves
4 Central heating system pump
5 Non-return valves
6 Automatic vent valve
7 Boiler safety valve
8 Boiler drain valve
9 Y strainer
10 Pressure reducer
11 Expansion tank
12 Water softener lter
13 Siphon
14 Condensate outlet
15 Drain
16 Isolation valve
17 Motorized sequencing valve
18 Pressure gauge
(*) LT= Low Temperature/HT= High Temperature
(**) On the RTC 1000-80 to RTC 4700-80 the low
temperature heating return is located on the top
of the boiler. See "Single Boiler Piping Schematic
Type A".

Table of Contents

Related product manuals