EasyManua.ls Logo

Riello RTC 2300-80 - Page 33

Riello RTC 2300-80
56 pages
Print Icon
To Next Page IconTo Next Page
To Next Page IconTo Next Page
To Previous Page IconTo Previous Page
To Previous Page IconTo Previous Page
Loading...
33
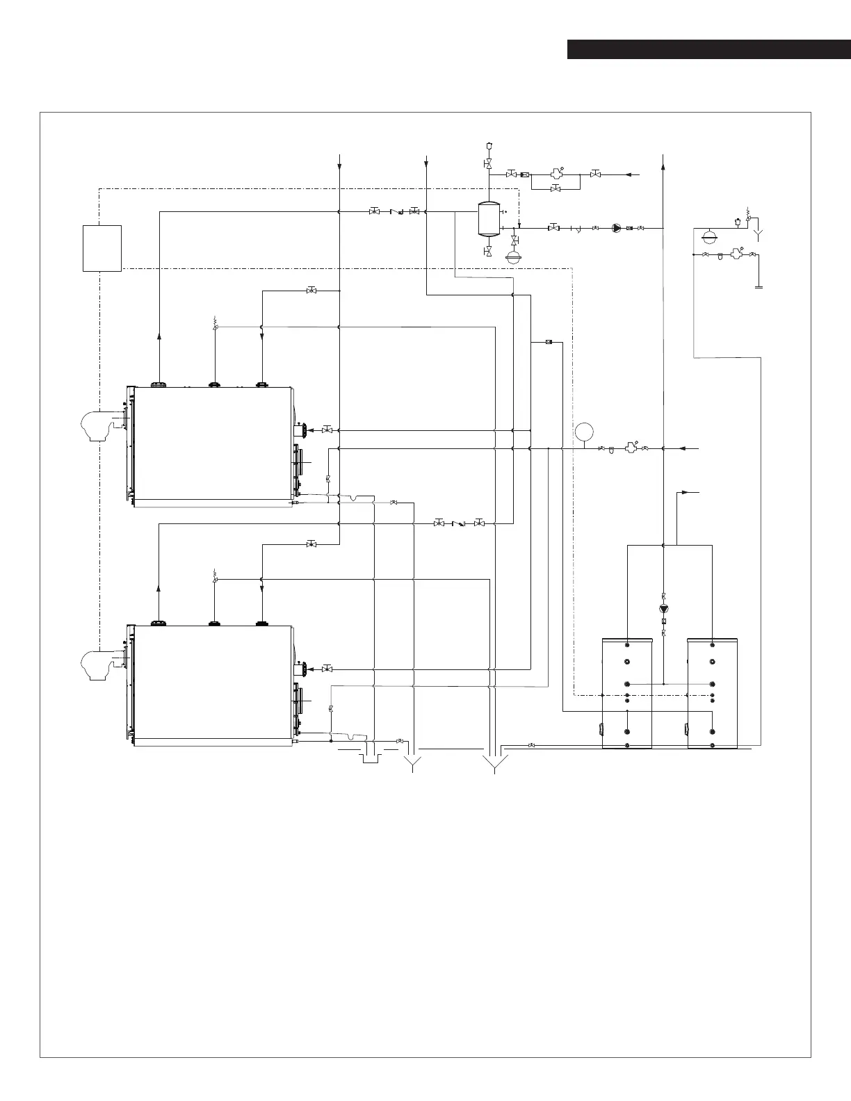
INSTALLATION
Two-Boiler Combination Heating & Domestic Water Plant
10
12
3
3
3
4
5
3
21
3
12
10
3
20
226
3
3
3
11
3
3
3
3
10
19
9
5
7
7
SP
19
18
TC
3
16
16
4
3
4
5
3
5
16
16
16
17
16 17 16
16
8
13
3
13
8
1
1
FLOW
FLOW
INLET
DHW USER
POINTS
MAKE-UP
WATER
WATER
INLET
HEATING
RETURN
HEATING
RETURN
LT
RETURN (**)
LT
RETURN (**)
HT
RETURN
HT
RETURN
CENTRAL
HEATING
SUPPLY
23
2
2
1 Boiler
2 Burner
3 Isolation valves
4 Central heating system pump
5 Non-return valves
6 Automatic vent valve
7 Boiler safety valve
8 Boiler drain valve
9 Y strainer
10 Pressure reducer
11 Expansion tank
12 Water softener lter
13 Siphon
14 Condensate outlet
15 Drain
16 Isolation valve
17 Non-return valve
18 Air separator
19 Domestic water storage tank
20 Storage tank drain valve
21 DHW circuit expansion tank
22 Storage tank safety valve
23 Pressure gauge
SP Sequencing panel
TC Control temperature
. _ . _ . Electrical signal
(*) LT= Low Temperature/HT= High Temperature
(**) On the RTC 1000-80 to RTC 4700-80 the low
temperature heating return is located on the top
of the boiler. See "Single Boiler Piping Schematic
Type A".

Table of Contents

Related product manuals