EasyManua.ls Logo

Riello RTC Series - Page 24

Riello RTC  Series
52 pages
Print Icon
To Next Page IconTo Next Page
To Next Page IconTo Next Page
To Previous Page IconTo Previous Page
To Previous Page IconTo Previous Page
Loading...
24
INSTALLAZIONE
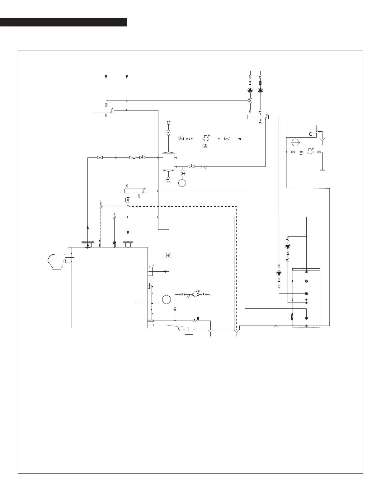
Single Boiler Combination Heating & Domestic Water Plant
3
3
2
1
3
3
4
5
3
3
4
5
3
UTENZE
SANITARIE
21
3
12
10
3
20
226
15
6
3
3
3
11
3
3
3
3
4
3
23
3
5
3
24
16
16
16
1617
3
3
24
3
RIT BT
RIT AT
MAN
7*
15
10
1
19
10
12
3
3
3
9
7
5
4
3
5
4
18
2
M
MANDATA
IMPIANTO
RITORNO
IMPIANTO
BT (*)
RITORNO
IMPIANTO
AT (*)
REINTEGRO
ACQUA
INGRESSO
ACQUA
1 Caldaia
2 Bruciatore
3 Valvole di sezionamento
4 Circolatore impianto
5 Valvole non ritorno
6 Valvola di sato automatico
7 Valvola di sicurezza caldaia
7* Seconda valvola di sicurezza caldaia (solo per RTC
8000 - RTC 10000)
8 Rubinetto di scarico caldaia
9 Filtro a Y
10 Riduttore di pressione
11 Vaso espansione impianto
12 Filtro addolcitore
13 Sifone
14 Scarico condensa
15 Scarico
16 Valvola di intercettazione
17 Valvola di ritegno
18 Degasatore
19 Bollitore
20 Rubinetto di scarico bollitore
21 Vaso espansione sanitario
22 Valvola di sicurezza sanitario
23 Valvola a 3 vie
24 Collettore impianto
M Manometro
(*)_AT Alta Temperatura
BT Bassa Temperatura
_ _ _ RTC 8000 - RTC 10000

Table of Contents

Other manuals for Riello RTC Series

Related product manuals