EasyManua.ls Logo

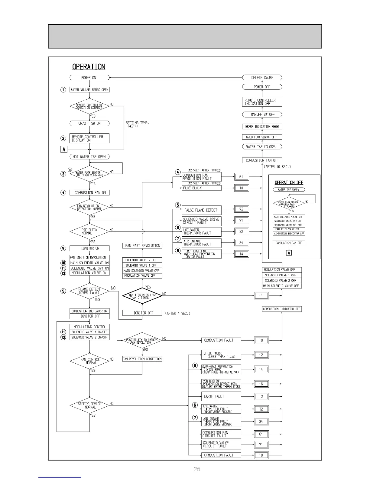
Rinnai REU-16 - Operational Flow Chart

Rinnai REU-16
67 pages
Print Icon
To Next Page IconTo Next Page
To Next Page IconTo Next Page
To Previous Page IconTo Previous Page
To Previous Page IconTo Previous Page
Loading...
25
Operational Flow Chart

Related product manuals