EasyManua.ls Logo

Rinnai RV53I - Ladder Diagrams

Rinnai RV53I
60 pages
Print Icon
To Next Page IconTo Next Page
To Next Page IconTo Next Page
To Previous Page IconTo Previous Page
To Previous Page IconTo Previous Page
Loading...
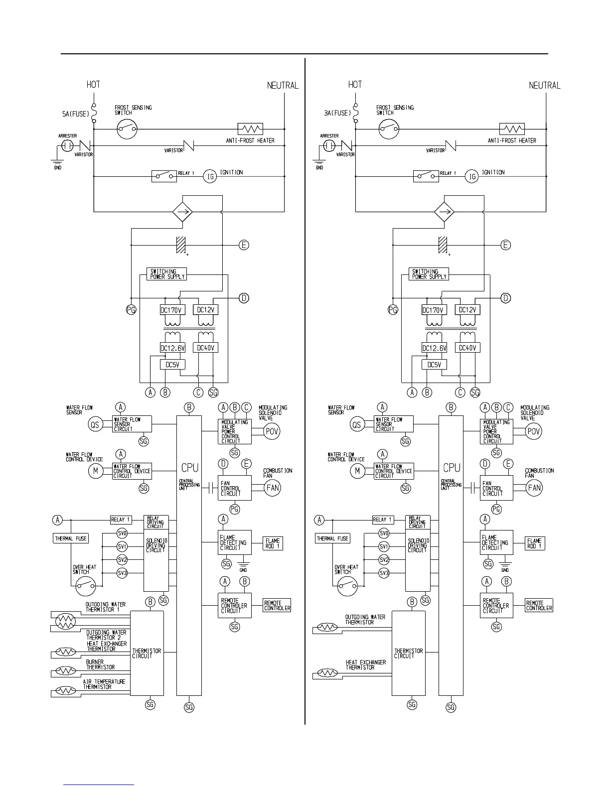
38 RV53i & RV53e Operation and Installation Manual
Ladder Diagrams
RV53i RV53e

Table of Contents

Related product manuals