EasyManua.ls Logo

RM Cylinders Intercyl - Typical Wiring Diagrams Overview; Typical Wiring - S Plan, 1 Zone; Typical Wiring - Y Plan

Default Icon
22 pages
Print Icon
To Next Page IconTo Next Page
To Next Page IconTo Next Page
To Previous Page IconTo Previous Page
To Previous Page IconTo Previous Page
Loading...
ISSUE 2016 Rev 1 - Installation Manual
3
RM Cylinders
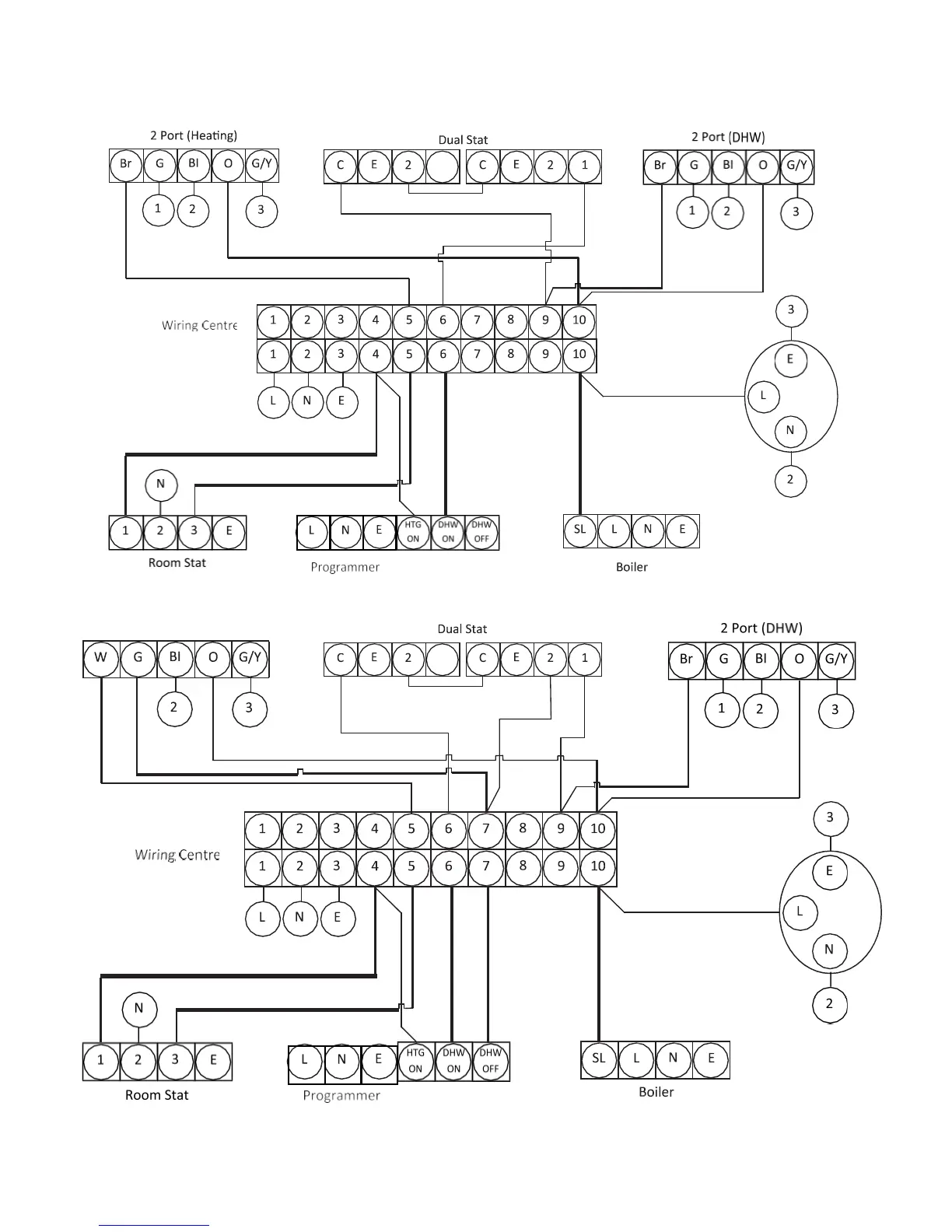
TYPICAL WIRING - S PLAN, 1 ZONE
TYPICAL WIRING - Y PLAN
COLOUR CODES
W = WHITE G = GREY BL = BLUE G/Y = GREEN / YELLOW L = LIVE N = NEUTRAL C = COMMON SL = SWITCHED
LIVE E = EARTH
3 Port Mid Position
18