EasyManua.ls Logo

ROBBE millennium 60 II - Page 24

ROBBE millennium 60 II
41 pages
Print Icon
To Next Page IconTo Next Page
To Next Page IconTo Next Page
To Previous Page IconTo Previous Page
To Previous Page IconTo Previous Page
Loading...
47
D
GB
F
46
II
Baustufe: 8 Stage: 8 Stade: 8
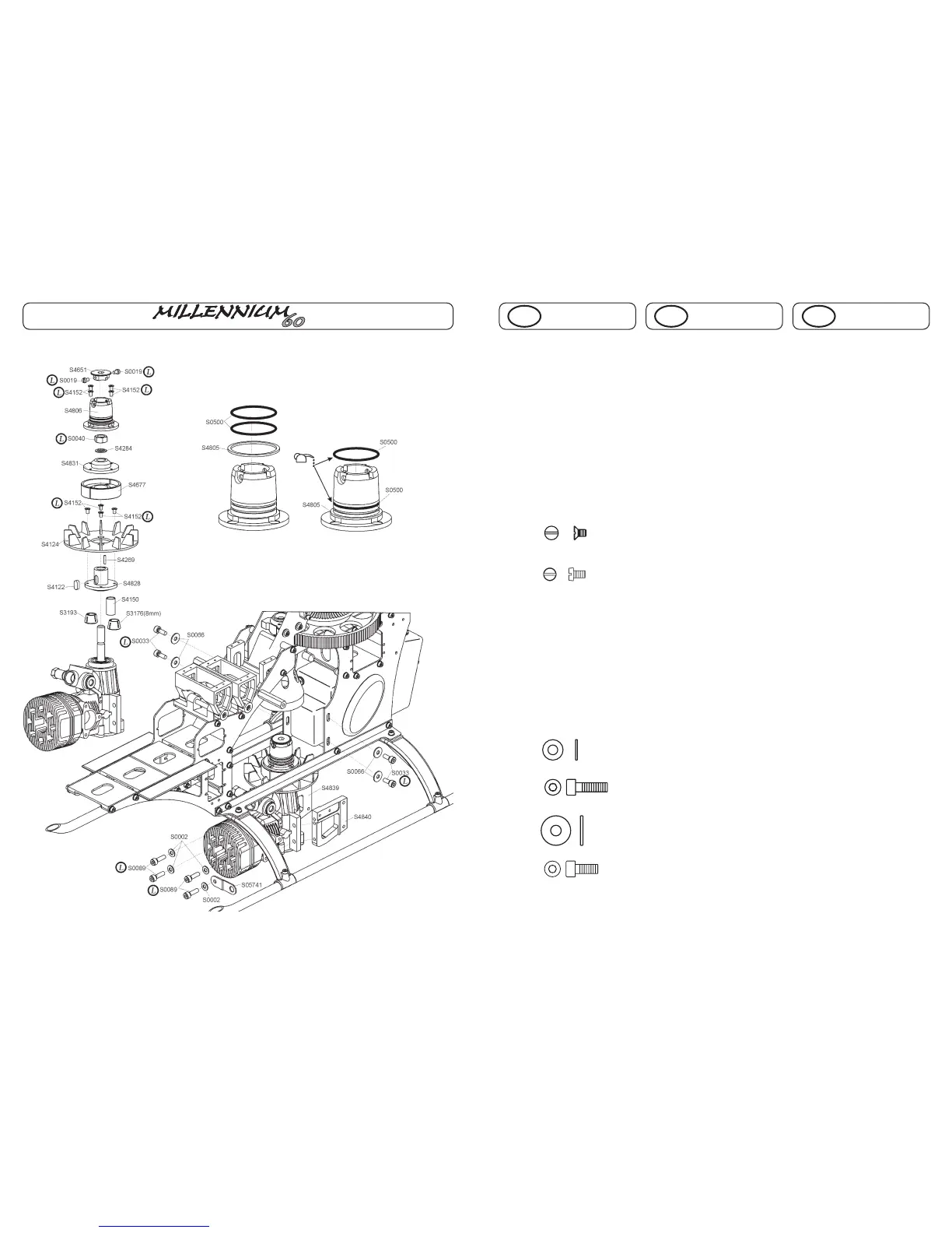
8.3 Montage Motor
Hinweis:
Bei Montage eines Novarossi Motors
oder anderen Motoren mit einem M8
Gewinde auf der Kurbelwelle, ist zur
Befestigung des Anlaßtopfes die
beiliegende Mutter (S0040) zu
verwenden.
Bei Einsatz eines OS-Motors sind die
separat zu erwerbenden Bundmuttern
1/4’ [S4541] bzw.
5/16’ [S4543] einzusetzen.
Hinweis:
Bei Motoren mit Kurbelwelle ø9,52
mm wird der Konus (S3193)
verwendet
8.4 Einbau Motor, Motorträger und
Kupplungsglocke
Hinweis:
Vor Einsatz der Motoreinheit,
Vergaseranschlußschlauch an den
Tank anschließen.
Hinweis:
Motoreinheit bis zum Anschlag in die
Kupplungsglocke einführen
8.3 Fitting the engine
Note:
If you are fitting a Novarossi engine or
any other engine with an M8
crankshaft thread, use the nut
supplied (S0040) to retain the starter
cup.
If you are using an OS engine use a
1/4“ flanged nut [S4541] or a 5/16“
flanged nut [S4543], both of which are
available separately.
Note:
If your engine has a 9.52 mm Ø
crankshaft use the taper collet
(S3193).
8.4 Installing the engine, engine
mount and clutch bell
Note:
Before attempting to run the engine
don’t forget to connect the carburettor
feed line to the fueltank.
Note:
Slide the motor assembly into the
clutch bell as far as it will go.
8.3 Montage du moteur
À noter:
Lorsque vous installez un moteur
Novarossi ou un autre moteur avec un
filetage M 8 sur le vilebrequin, pour
fixer le bouchon de démarrage, utiliser
l’écrou joint (S0040).
Avec un moteur OS il faut installer les
écrous à épaulement 1/4“ [S4541] ou
5/16“ [S4543] à acquérir par ailleurs.
À noter:
Avec les moteurs munis d’un
vilebrequin de Ø 9,52 mm utiliser le
cône (S3193).
8.4 Installation du moteur, support-
moteur et cloche d’embrayage
À noter:
Avant d’installer l’unité de
motorisation, raccorder la durite du
carburateur au réservoir.
À noter:
Engager le bloc moteur jusq’à la butée
dans la cloche d’embrayage.
S0002
4.3x9x0.8
4x
S0066
4.3x12x1
4x
S4152
M3x5
8x
S0089
M4x14
4x
S0033
M4x10
4x
Baustufe / Stage / Stade: 8
2x
M 3 x 5
S 0019

Related product manuals