EasyManua.ls Logo

Roberts 10-95 - Exploded Parts Diagram

Roberts 10-95
24 pages
Print Icon
To Next Page IconTo Next Page
To Next Page IconTo Next Page
To Previous Page IconTo Previous Page
To Previous Page IconTo Previous Page
Loading...
- 4 -
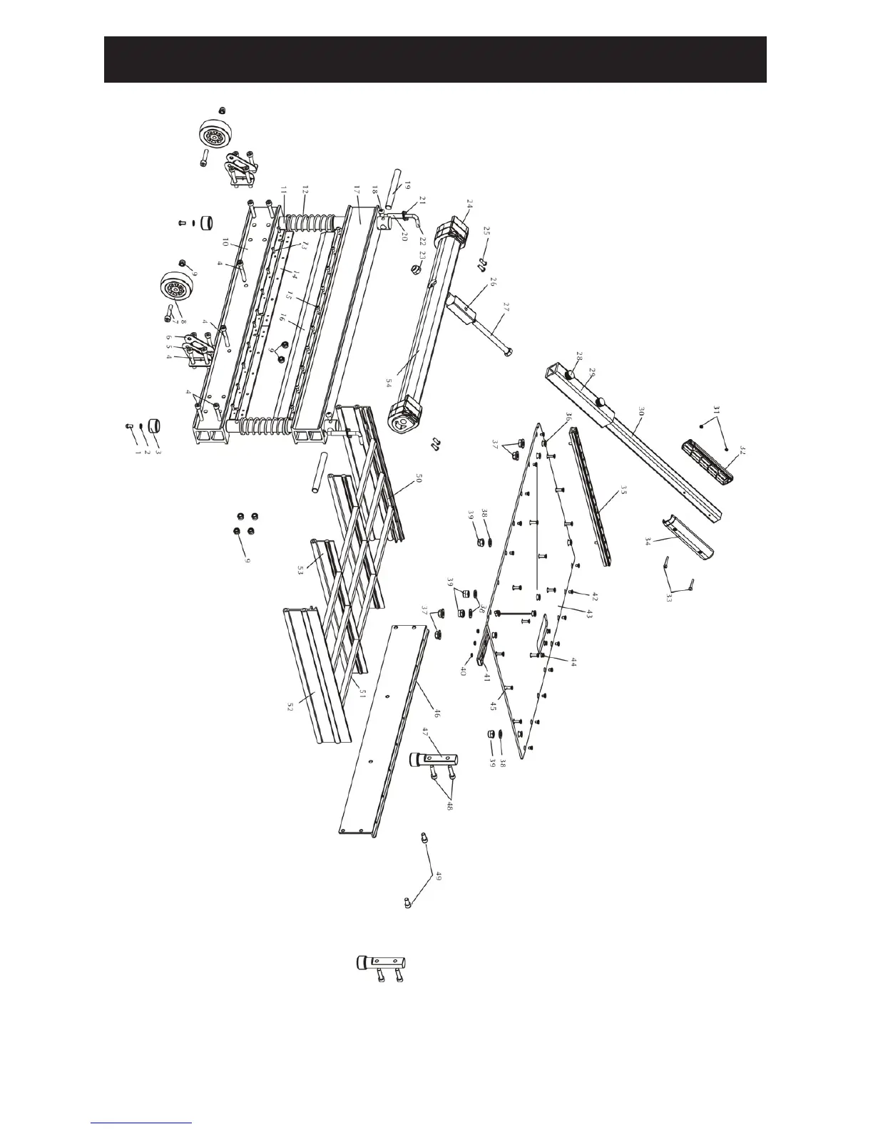
ROBERTS 10-95 EXPLODED PARTS DIAGRAM

Related product manuals