EasyManua.ls Logo

Robin RGV13000T - Page 46

Robin RGV13000T
47 pages
Print Icon
To Next Page IconTo Next Page
To Next Page IconTo Next Page
To Previous Page IconTo Previous Page
To Previous Page IconTo Previous Page
Loading...
a
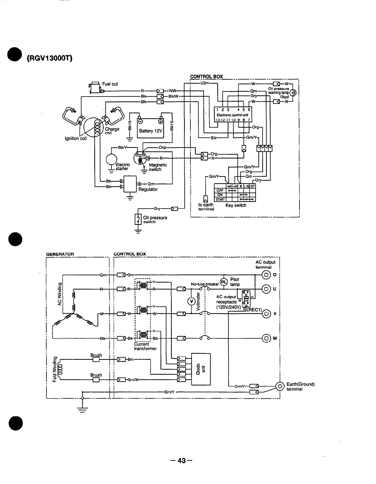
(RGVI 3000T)
:ONTROL BOX
-------_- ----------
-LGm
1
r-w---p-w1
wi
C
I
$
-7
I
I
L
to earth
terminal
Key switch
-------------------
Iv-
@
m&ssur
GENERATOR
CONTROL BOX
__---------
, -__- ---_--_- ---- ----------- --
-1
AC output
terminal
0
Earth(Ground)
terminal
-43-

Related product manuals