EasyManua.ls Logo

Roger H70/200AC - Page 9

Roger H70/200AC
180 pages
Print Icon
To Next Page IconTo Next Page
To Next Page IconTo Next Page
To Previous Page IconTo Previous Page
To Previous Page IconTo Previous Page
Loading...
9
9
d^d&KdK>>h>ͼW,KdK>>^d^d(impostare / set $ )
K>>'DEdKKEϭKWW/&KdK>>h>
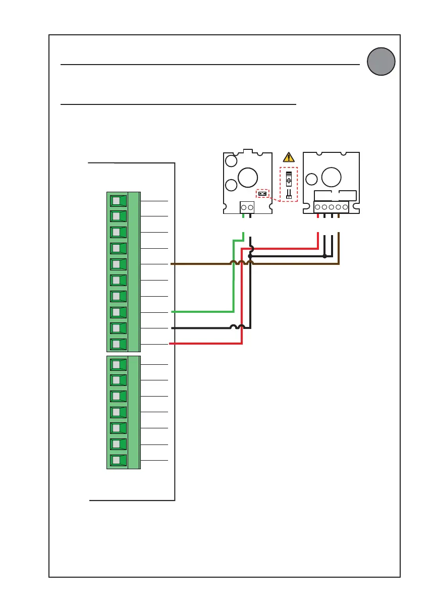
CONNECTION WITH 1 PAIR OF PHOCELLS
41 40 39 38 37 36 35 34 33 32 31 30 29 28 27 26 25
ST
COM
COS1
COS2
FT1
FT2
COM
SC
COM
24V~
COM
PED
PP
CH
AP
ORO
COM
RXTX
12 12345
SCSC
COM
COM
24V24V
24VFT1

Other manuals for Roger H70/200AC

Related product manuals