EasyManua.ls Logo

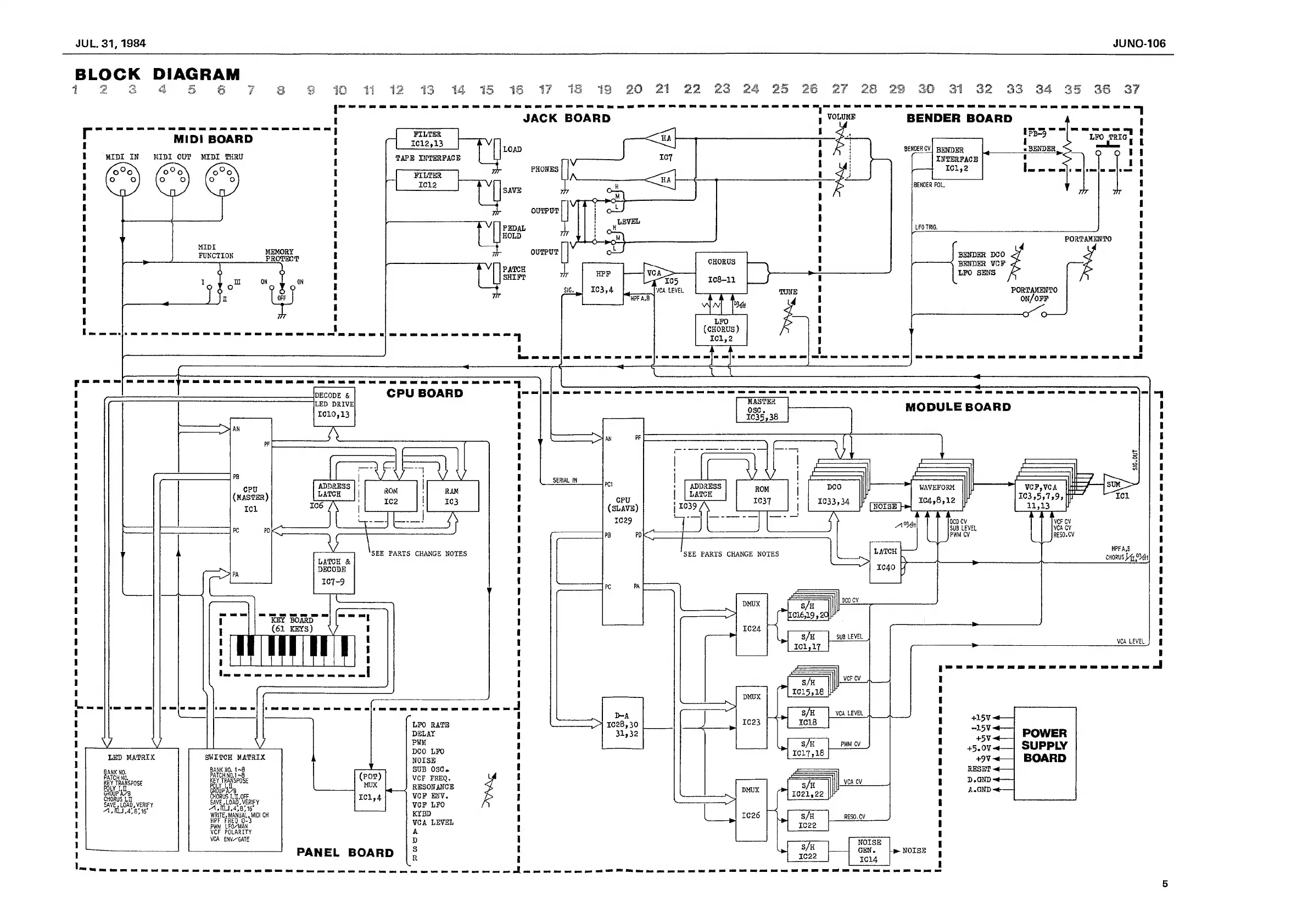
Roland JUNO-106 - Block Diagram; System Signal Flow

Roland JUNO-106
13 pages
Print Icon
To Next Page IconTo Next Page
To Next Page IconTo Next Page
To Previous Page IconTo Previous Page
To Previous Page IconTo Previous Page
Loading...
JUL.
31,
1984
BLOCK
DIAGRAM
q
z
3
<4
5
6
?
Pa
2
iD
4
1
1
4
15
#6
#17
1G
I
JACK
BOARD
MIDI
BOARD
I
012,13
i]
u
|
LOAD
1
os
MIDI
IN
MIDI
OUT
MIDI
THRU
:
TAPE
INTERFACE
i
°
PHONES
1
oe
FILTER
i
Ic12
shes
i
0
|
:
:
;
I
OUTPUT
,
|
PEDAL
1
1
HOLD
1
MIDI
I
FUNCTION
a
t
een
1
J
b
i
ee
HPF
,
z
ss es
r
SHIFT
|
eg
g
:
SIG
IC3,4
i
I
OFF
1
i
ri
t
I
A
PB
CPU
(MASTER)
a
LED
MATRIX
SWITCH
MATRIX
BANK
NO.
1~8
BANK
NO
PATCH
NO.
1~8
KEY
TRANSPOSE
KEY
TRANSPOSE
GROUP
AS
a
Ve
CHORUS
1,
1L,OFF
CHORUS
1,
SAVE,
LOAD,
VERIEY
SAVE,
LOAD,
VERIFY
Sa:
ene
ran
8
lb
WRITE,
MANUAL,
MIDI
CH
HPF
FREQ
0-3
PUN
LEO-MAN
VCF
POLARITY
VCA
ENV.~GATE
Sen
ef
ec
te
et
nd
meal
weet
en
ea
Yee
eee
a,
ee
ee
ee
a
A
A
ee
ee
a
ee
ee
CPU
BOARD
IC10,13
1¢3
SEE
PARTS
CHANGE
NOTES
LFO
RATE
DELAY
PW
DCO
LFO
NOISE
SUB
OSC.
VCF
FREQ.
RESONANCE
VCF
ENV.
VCF
LFO
5
KYBD
VCA
LEVEL
PANEL
BOARD
ee
eee
ee
ee
eee
ee
ee
ee
ee
|
19
20
ee
ee
ee
21
22
23
24
25
26
VOLUME
CHORUS
25
FO
L
(cHORUS)
IC1,2
a
etait
eee
ee
ee
ee
ee
ee
ee
ee
|
ROM
IC37
Nosase
ted
coceps
TUNE
I¢33,34
IC17,18
I¢22
1
§/H
28
29
NOISE
NOISE
GEN.
Icl4
el
eee
Eee
ne
ee
eee
ee
ee
en
ee
JUNO-106
36
31
32
33
34
39
36
37
BENDER
BOARD
ins”
=
=
a
io
LPO
TRIG)
«
BENDER
lan
i
:
I
ome
em
mt
ee
|
es
ee
|
BENDER
CV)
BENDER
BENDER
POL,
LFO
TRIG,
-
PORTAMENTO
BENDER
DCO
BENDER
VCF
LFO
SENS
PORTAMENTO
on/orr
O
a
ae
ae
a
ee
a
ee
|
Oe
ee
he
Be
he
en
ee
ee
Re
he
en ee
he
ee
ee
ee
Ee
he
a
bee
|
MASTER
osc.
1635,38
MODULE
BOARD
WAVEFORM
IC4,8512
HPF
A,B
CHORUS
Hr
Dit
VCA
LEVEL
i
mw
i
ni
"
1
i
1
"
1
i
I
U
1
I
I
|
1
1
1
|
NOISE
:
r

Other manuals for Roland JUNO-106

Related product manuals