EasyManua.ls Logo

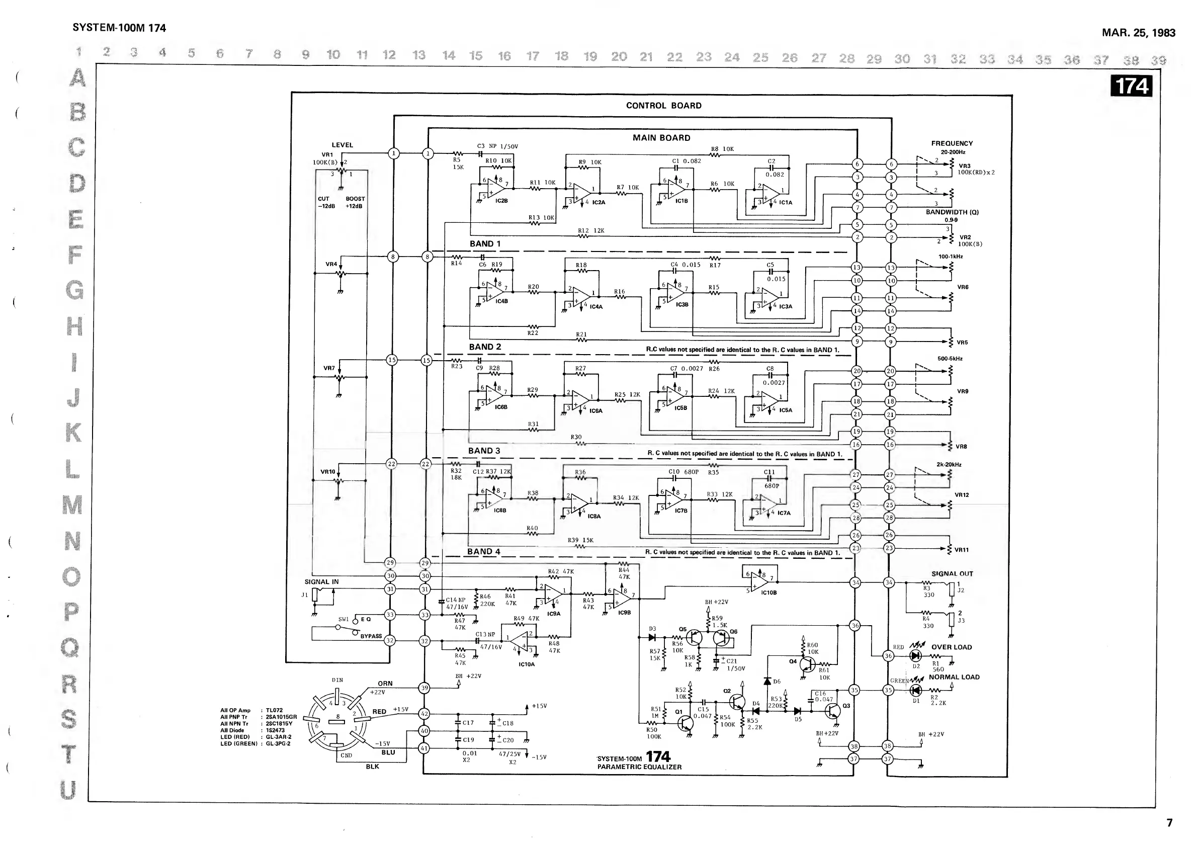
Roland SYSTEM-100M 165 - Module 174 Schematics; Equalizer Band Circuits and Controls

Roland SYSTEM-100M 165
8 pages
To Next Page IconTo Next Page
To Next Page IconTo Next Page
To Previous Page IconTo Previous Page
To Previous Page IconTo Previous Page
Loading...
SYSTEM-IOOM
174
MAR.
25,
1983
174
7

Related product manuals