EasyManua.ls Logo

Rolls-Royce Silver Cloud II - Actuators

Rolls-Royce Silver Cloud II
64 pages
Print Icon
To Next Page IconTo Next Page
To Next Page IconTo Next Page
To Previous Page IconTo Previous Page
To Previous Page IconTo Previous Page
Loading...
LOWER
AIRSTREAM
SWITCH
FEED
FR.OM
COOLANT
TEMP,
INDICATOR
.....-11
,I
l ~cl
)
8
~5
7
UPPER
l
wr',
:
1
\
AI
RSTREAM
---
-te --
:i;iel
.
193
SWITCH
~ ,
' , i 8
FRESH
AIR
BLOWER
MOTOR
RESISTANCE
-
DISTRIBUTION BOARD -
TO
REAR
WINDOW
DE·MISTER
I;;.
::
~ ERMINAL STIii -
---...:•.;.•
Io
o o o
".I.
RECIRCULATING
All\6LOWE
~ 7
~
<
rr===============(._J====:::!.1
11
I~
....
.....
~
DE-tt1STl:R
...
L
CROSS
DUCT
,,,~,o;w
j ~
J~
I
~
rll-
---
-------
-~
,-....
SOLENO
\::'-=
aoiii,,,/..i,,_
.....
I
~
'I,
VAL.YES
(,. .....
L..
___
R_E_A
c:.
R
____
....;.
LO_O.:..M
______
..J (OWER- ' -
l
..
-
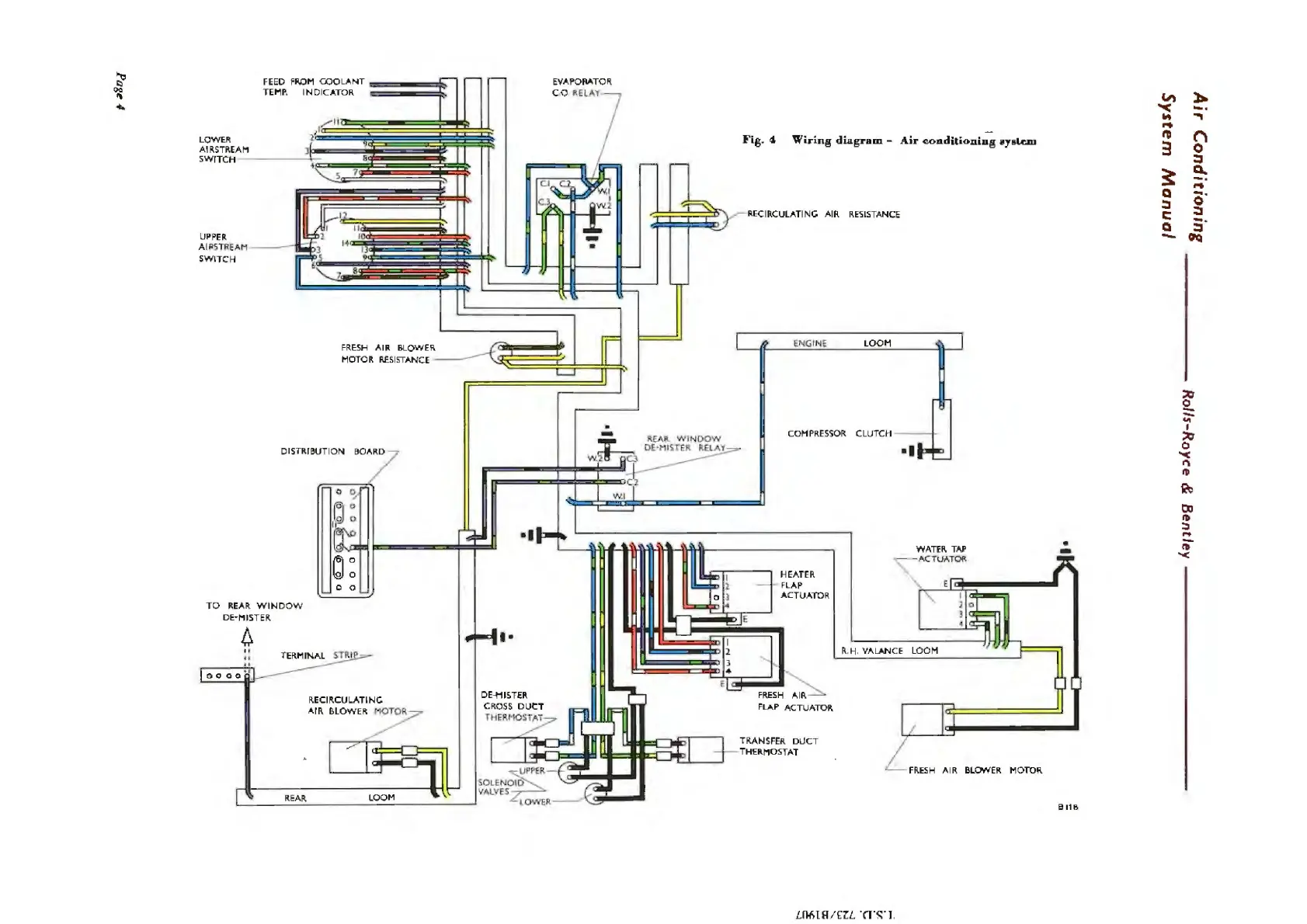
Fig.
"
Wii·ing
diagram
-
Air
conditioning
M:Y81nn
.,.,.-
REC
IRCULATING Al
l\
RESISTANCE
I
~NGINE
LOOM
COHPRESSOR
CLUTCH -
HEATER
-
FLAP
ACTUATOR
FRESH
· ~
FLAP
ACTUATOR
TRANSFER
DUC
T
THERMOSTAT
....
~
WATER
TAP
.--
ACTUATOI<
, .
·~
__!
E
~r.:i~~~-.1
.__
"
----=.1.:i
I
~:::r-"I
.,
'"'------
R.H. VALANCE LOOM
~
f===i'
) l
1
·-
-
FRE
SH
AIR BLOWER MOTOR
Bl1B
L06lR/ £rL ·cnn.
(')
~
""(
..
..,
~
l'D
n
3
0
:i
~
Q.
~
Q
-.
:i
0
C:
:i
-.
Q
:i
-
OQ

Other manuals for Rolls-Royce Silver Cloud II

Related product manuals