EasyManua.ls Logo

Romet OGAR - Page 22

Default Icon
Print Icon
To Next Page IconTo Next Page
To Next Page IconTo Next Page
To Previous Page IconTo Previous Page
To Previous Page IconTo Previous Page
Loading...
20
DE
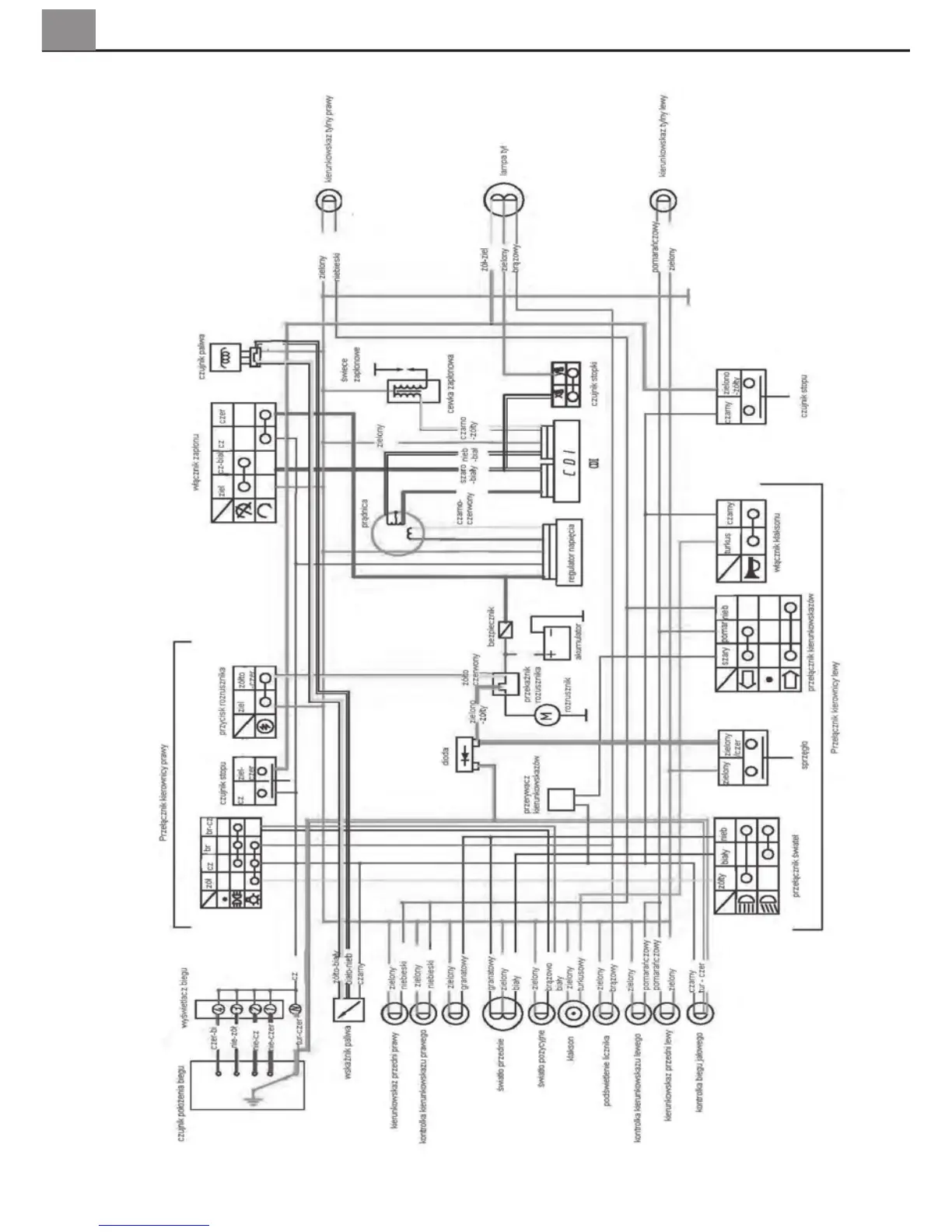
15. Schaltplan Via / Trial City

Related product manuals