EasyManua.ls Logo

Romet OGAR - Page 23

Default Icon
Print Icon
To Next Page IconTo Next Page
To Next Page IconTo Next Page
To Previous Page IconTo Previous Page
To Previous Page IconTo Previous Page
Loading...
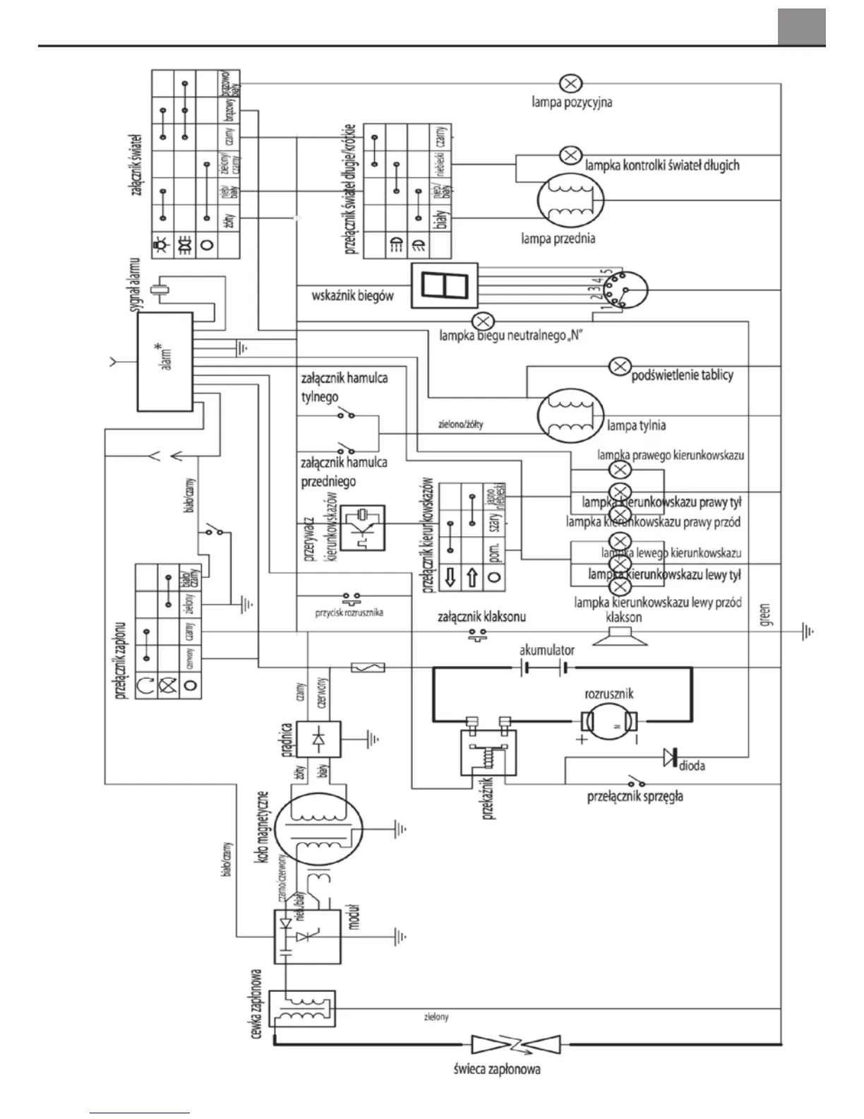
15. Schaltplan Zetka 50
DE
21

Related product manuals