EasyManua.ls Logo

Romet OGAR - Page 24

Default Icon
Print Icon
To Next Page IconTo Next Page
To Next Page IconTo Next Page
To Previous Page IconTo Previous Page
To Previous Page IconTo Previous Page
Loading...
DE
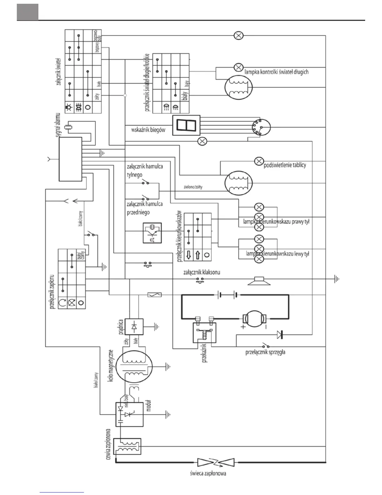
15. Schaltplan Zetka 125
22

Related product manuals