EasyManua.ls Logo

RoomTec Murphy Bed Building Queen Vertical - Left Side Rail Ball Stud Plate Mounting; Mounting the Lower Ball Stud Plate

RoomTec Murphy Bed Building Queen Vertical
29 pages
Print Icon
To Next Page IconTo Next Page
To Next Page IconTo Next Page
To Previous Page IconTo Previous Page
To Previous Page IconTo Previous Page
Loading...
- 15 -
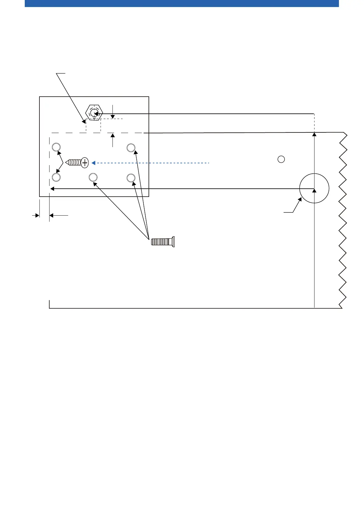
Screw two (2) black screws
through these two (2) holes
1- 7/8
4
9
1/4
5/16
Step 12: Mounting the lower ball stud plate to the outside
of the side rail PARTS B.
B.LEFT SIDE RAIL
QUEEN VERTICAL (upright)
PLYWOOD CONSTRUCTION ONLY
Drill 1 diameter PIVOT HOLE
OVERHANG
Mark and drill a 1/4" diameter hole
through the SIDE RAIL.
Insert the three (3) T-nuts through
the inside of the SIDE RAIL. Screw
the machine screws through the ball
stud plate into the T-nuts.
7 1/2
5/16
END OF SIDE RAIL (PART B)
B

Related product manuals