EasyManua.ls Logo

Rosemount Analytical SOLU COMP II - 8.8 Simulating Temperature

Rosemount Analytical SOLU COMP II
78 pages
Print Icon
To Next Page IconTo Next Page
To Next Page IconTo Next Page
To Previous Page IconTo Previous Page
To Previous Page IconTo Previous Page
Loading...
Temp. (°C) Pt 100 (
) 22k NTC (k
)
0 100.0 64.88
10 103.9 41.33
20 107.8 26.99
25 109.7 22.00
30 111.7 18.03
40 115.5 12.31
50 119.4 8.565
60 123.2 6.072
70 127.1 4.378
80 130.9 3.208
85 132.8 2.761
90 134.7 2.385
100 138.5 1.798
64
MODEL SOLU COMP II SECTION 8.0
TROUBLESHOOTING
8.8 SIMULATING TEMPERATURE
8.8.1 General.
The Solu Comp II accepts either a Pt100 RTD (for pH
and 499ADO and 499ATrDO sensors) or a 22k NTC
thermistor (for Hx438 and Gx448 DO sensors). The
Pt100 RTD is in a three-wire configuration. See Figure
8-4. The 22k thermistor has a two-wire configuration.
8.8.2 Simulating temperature
To simulate the temperature input, wire a decade box to
the analyzer or junction box as shown in Figure 8-5.
To check the accuracy of the temperature measurement,
set the resistor simulating the RTD to the values indicat-
ed in the table and note the temperature readings. The
measured temperature might not agree with the value in
the table. During sensor calibration an offset might have
been applied to make the measured temperature agree
with a standard thermometer. The offset is also applied
to the simulated resistance. The Solu Comp II is meas-
uring temperature correctly if the difference between
measured temperatures equals the difference between
the values in the table to within ±0.1°C.
For example, start with a simulated resistance of
103.9 , which corresponds to 10.0°C. Assume the off-
set from the sensor calibration was -0.3 . Because of
the offset, the analyzer calculates temperature using
103.6 . The result is 9.2°C. Now change the resist-
ance to 107.8 , which corresponds to 20.0°C. The
analyzer uses 107.5 to calculate the temperature, so
the display reads 19.2°C. Because the difference
between the displayed temperatures (10.0°C) is the
same as the difference between the simulated temper-
atures, the analyzer is working correctly.
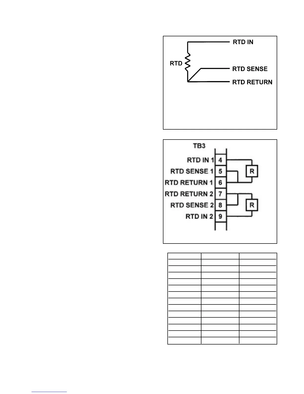
FIGURE 8-4.Three-Wire RTD Configuration.
Although only two wires are required to connect
the RTD to the analyzer, using a third (and some-
times fourth) wire allows the analyzer to correct for
the resistance of the lead wires and for changes in
the lead wire resistance with temperature.
FIGURE 8-5. Simulating RTD Inputs.

Table of Contents

Related product manuals