EasyManua.ls Logo

Rosemount 700XA - Page 41

Rosemount 700XA
68 pages
Print Icon
To Next Page IconTo Next Page
To Next Page IconTo Next Page
To Previous Page IconTo Previous Page
To Previous Page IconTo Previous Page
Loading...
Analog input
Select the input type for an analog input
You can set an analog input to either voltage (0-10 V) or current (4-20 mA) .
Procedure
1. Select Hardware Analog Inputs....
The Analog Inputs window displays.
2. Click Save to save the changes and keep the window open, or click OK to save the
changes and close the window.
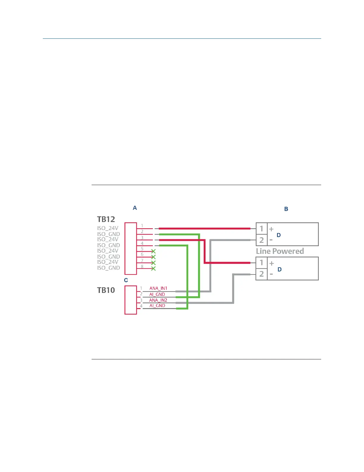
Typical wiring for line-powered transmitters
The following drawing shows the most common wiring plan for supplying power to two
4-20 mA transmitters, such as pressure sensor transmitters.
Figure 2-14: Typical Wiring for Line-Powered Transmitters
A. Back plane
B. Customer transmitter
C. Analog inputs
D. Transmitter 4-20 mA output
Optional analog inputs (AI)
When plugged into one of the optional card slots on the card cage, the ROC800 AI-16 card
provides four additional analog inputs.
The AI channels are scalable, but are typically used to measure either a 4-20 mA analog
signal or a 1-5 Vdc signal. If required, the low end of the AI module’s analog signal can be
calibrated to zero. For more information, see Analog Input Modules (ROC800-Series at
Emerson's ROC800-Series website.
Quick Start Guide Installation and start-up
00825-0100-3770 July 2020
Rosemount 700XA 41