EasyManua.ls Logo

Ross RXT150P - Circuit Diagram

Ross RXT150P
15 pages
Print Icon
To Next Page IconTo Next Page
To Next Page IconTo Next Page
To Previous Page IconTo Previous Page
To Previous Page IconTo Previous Page
Loading...
Page 12
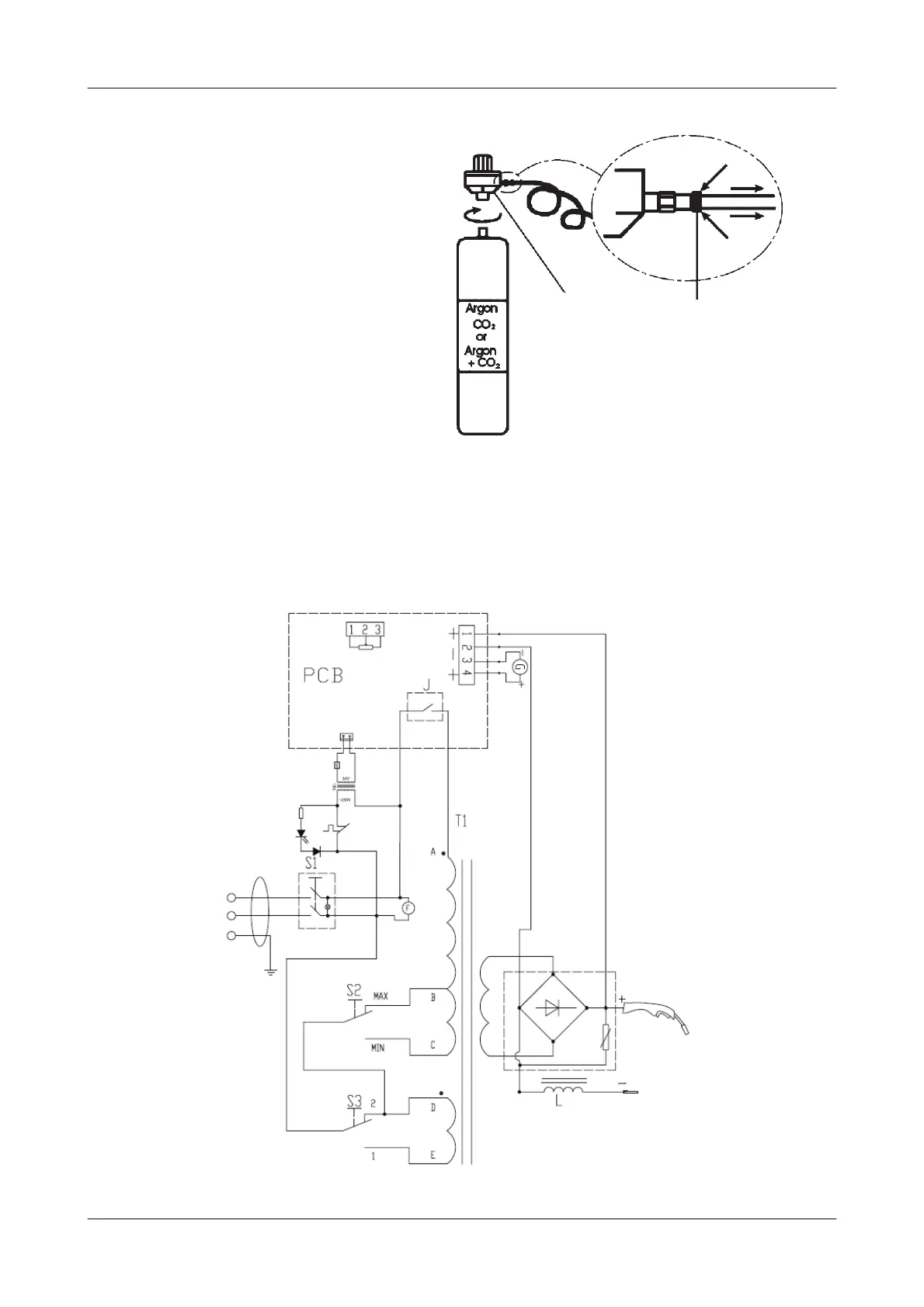
RXT150P
CIRCUIT DIAGRAM
Attach the mini gas bottle brackets to the
rear of the machine, then connect up as fol-
lows:
1. Remove the protective cap from the cyl-
inder outlet and screw on the regulator
fully,
BUT DO NOT OVER TIGHTEN.
2. Simply push the gas hose, at the rear of
the machine, into the gas regulator outlet,
as far as possible and release. This is a self
sealing coupling.
To remove the hose, hold back the ring then
pull the hose out.
Disconnect the bottle when not in use
Regulator
Regulator
outlet
How to attach a Mini gas bottle and Regulator