EasyManua.ls Logo

Rotfuchs DH55 - Page 7

Rotfuchs DH55
Print Icon
To Next Page IconTo Next Page
To Next Page IconTo Next Page
To Previous Page IconTo Previous Page
To Previous Page IconTo Previous Page
Loading...
14
ENGLISH
Power: 1150 W
Air circulation: 350 m³/h
Defrosting pressure: 2,5 MPa
Steam Pressure: 1,0 Mpa
Collection Container: 7,0 l
Coolant solution R407C/410g
Fuse T3.15A
10. DISPOSAL
This marking on the product, accessories or literature indicates that the product and its accessories
should not be disposed of with other household waste at the end of their working life.
Dispose of the packaging material in accordance with the appropriate regulations for the material in
your country.
Environmental protection - Disposal of old electric devices.The European directive
2002/96/EC for waste electrical and electronic equipment (WEEE) states that used
household devices should not be disposed of with unsorted community waste. These
used devices must be collected separately from household waste in order to increase
the percentage of recovered devices and to recycle their parts, with the goal of re-
ducing the negative effects on human health and on the environment. The symbol of
the crossed out garbage can will be stamped onto all devices as a reminder of the
obligation to put them in a separate garbage collection. The consumer must consult
local authorities or the vendor to inform themselves about the manner in which their
device should be disposed of.
7
DEUTSCH
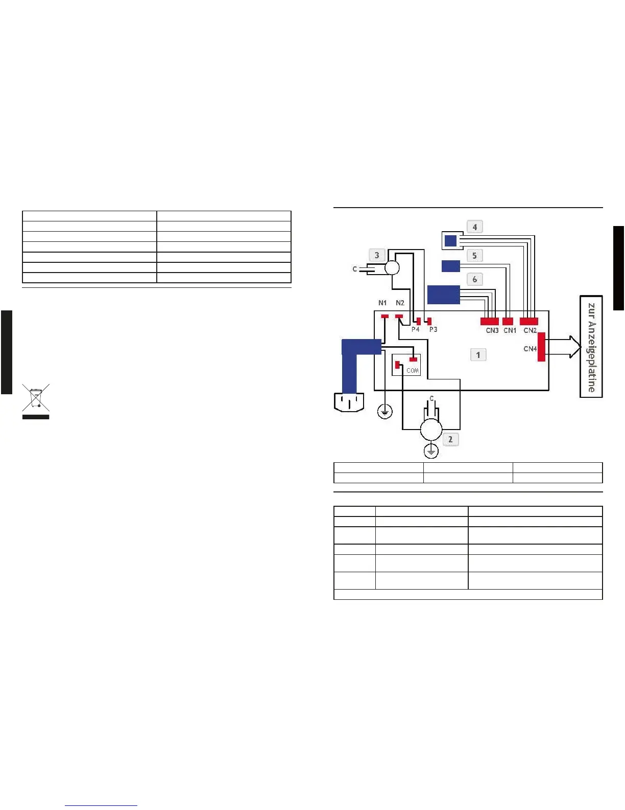
11. SCHALTPLAN
1. Hauptplatine 2. Kompressor 3. Gebläsemotor
4. Luftfeuchtigkeitssensor 5. Temperatursensor 6. Lichtschranke
12. FEHLERMELDUNGEN
Fehler* Ursache Lösung
E1 Spulensensor-Fehler Der Spulensensor muss gewechselt werden.
E2 Luftfeuchtigkeitssensor-Fehler Der Luftfeuchtigkeitssensor muss gewechselt
werden.
E3 Temperatursensor-Fehler Der Temperatursensor muss gewechselt werden.
E4 Heiß und Kalt System-Fehler Lassen Sie den Bautrockner von einem Fach-
mann kontrollieren / reparieren.
E5 Raumtemperatur zu hoch Reduzieren Sie die Raumtemperatur, der
Bautrockner wird wieder automatisch starten
*Bei Auftreten eines Fehlers erscheint der jeweilige Code auf dem Display