EasyManua.ls Logo

Roto 85 FS - Mounting; The Engine Mount; The Engine

Roto 85 FS
20 pages
Print Icon
To Next Page IconTo Next Page
To Next Page IconTo Next Page
To Previous Page IconTo Previous Page
To Previous Page IconTo Previous Page
Loading...
ROTOmotor Ltd., Czech Republic - Europe
ROTO 85 FS
ROTOmotor Ltd., Czech Republic - Europe
Operating instructions
ROTOmotor manufacturer of top four-stroke engines
Page:5
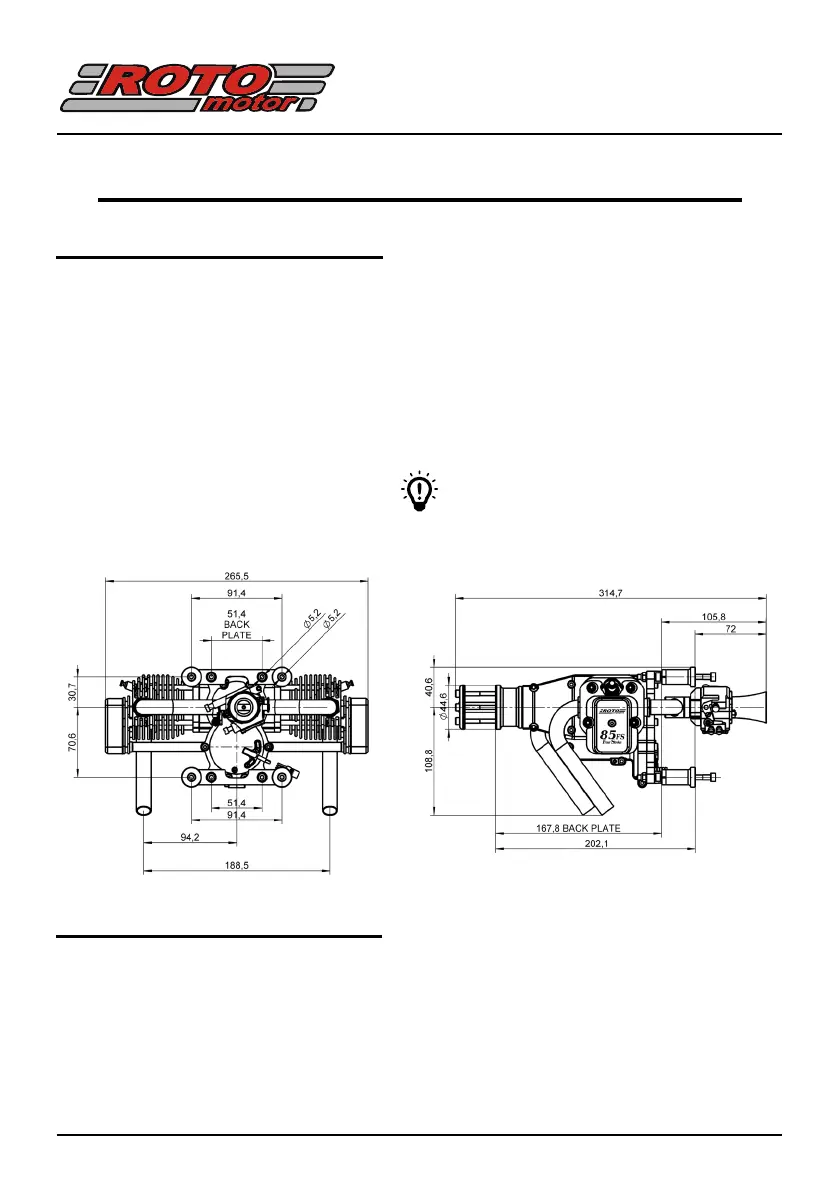
Mounting4.
4.1 The engine mount
After mounting the engine firewall
occasionally to prevent loosening.
To mount the engine in the model, we will use steel strength bolts and lock nuts.
We will use large washers under the nuts due to the pressure distribution on the engine mount,
so that mount is not dented.
For the engine to work properly and its properties to be optimal, the engine must be warmed
up to operating temperature.
The carburettor is set at the factory (ROTOmotor). We do not recommend any disassembly of
the intake manifold or carburetor.
4.2 The engine
It is necessary to provide enough air for the supply to the carburetor. In case of lack of a air, the
engine may have poor performance and may uctuate at maximum speed.
It is necessary to ensure sucient cooling of the cylinder heads and cylinders with a constant
supply of air from the propeller or from the surrounding environment.

Related product manuals