EasyManua.ls Logo

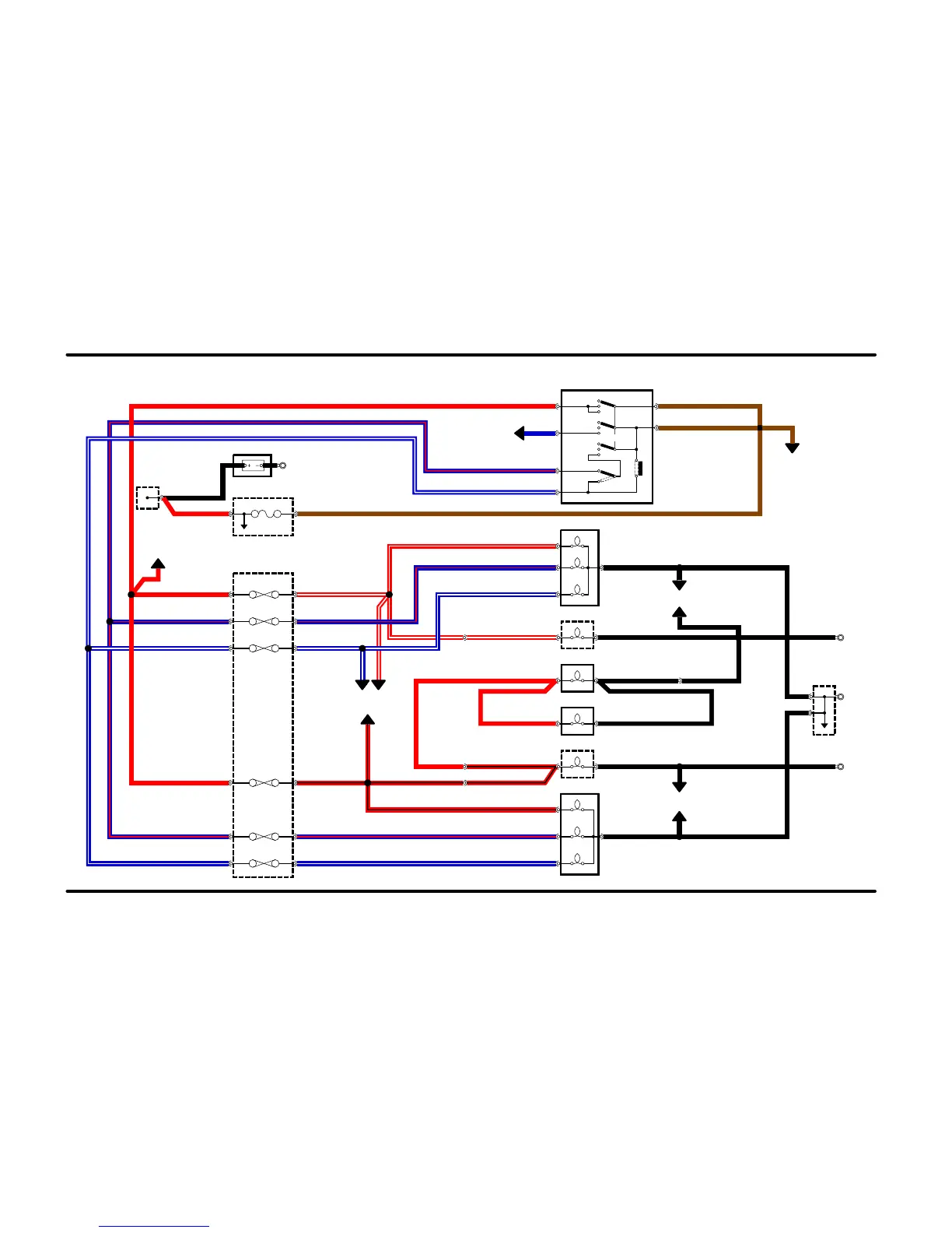
Rover Mini 1997 - Head, Side, Tail, and Number Plate Lamps

Rover Mini 1997
41 pages
Print Icon
To Next Page IconTo Next Page
To Next Page IconTo Next Page
To Previous Page IconTo Previous Page
To Previous Page IconTo Previous Page
Loading...
MINI 97 MODEL YEAR FROM VIN SAXXNNAZEBD 134455
5 WATT
55 WATT
60 WATT
55 WATT
60 WATT
C559-1
C557-1
5 WATT
5 WATT
5 WATT
5 WATT
SIDE
MAIN
DIP
SIDE
DIP
MAIN
LINK 3
FUSE A1
10 AMP
FUSE A2
10 AMP
HEADER (463)
EARTH
FUSE C1
FUSE C2
10 AMP
10 AMP
FUSE A3
10 AMP
FUSE C3
10 AMP
30 AMP
EARTH
BATTERY
13.5 VOLTS
PASSING SW
DIP/MAIN
SIDE 1 SWITCH
5 WATT
C730-1
C141-1 C138-1
C143-1 C020-2
C143-2 C020-1
C178-1
C483-12 C101-12 C489-1
C490-1
C125-2
C483-6 C101-6
C121-2
C140-1 C139-1
C011-4
C009-4
A2-1
C570-3
C550-3
A1-2A1-1
C011-1C011-3
A2-2
C550-4
C1-2C1-1
C2-2C2-1 C009-1C009-3
C011-2
C009-2
A3-2A3-1
C3-2C3-1
C41-4
C41-1
C41-2
C41-5
C41-3
C41-6
SJ2
SJ17
SJ1
SJ16
SJ22
SJ38
SJ9
SJ23
SJ44
SJ4
SJ11
NUMBER PLATE ILLUMINATION LAMP (008)
RH TAIL LAMP (009)
LH TAIL LAMP (012)
NUMBER PLATE ILLUMINATION LAMP (008)
BATTERY (001)
DISTRIBUTION (A)
SEE POWER
DISTRIBUTION (A)
SEE POWER
DISTRIBUTION (B)
SEE EARTH
DISTRIBUTION (A)
SEE POWER
DISTRIBUTION (B)
SEE EARTH
STARTER MOTOR (081)
LIGHTING SWITCH (002)
FUSEBOX (537)
ENGINE COMPARTMENT
RH HEADLAMP (187)
LH HEADLAMP (186)
FUSEBOX (011)
BR
RB
RWRW
RW
BB
BB
B
RB
RB
RB
UW
UR
RB
UW
UR
UW
N
N
R
R
R
RRB
BB
UR
RW
UW
BB
B
UR
UW
UW
UR
N
EXTERIOR LAMPS
HEAD, SIDE, TAIL AND NUMBER PLATE LAMPS
43.2
DIP 3 SWITCH
PASSENGER COMPARTMENT
SEE REAR FOG LAMP
CIRCUIT (QQ)
U

Related product manuals