EasyManua.ls Logo

Rover Mini 1997 - Front Fog and Driving Lamps

Rover Mini 1997
41 pages
Print Icon
To Next Page IconTo Next Page
To Next Page IconTo Next Page
To Previous Page IconTo Previous Page
To Previous Page IconTo Previous Page
Loading...
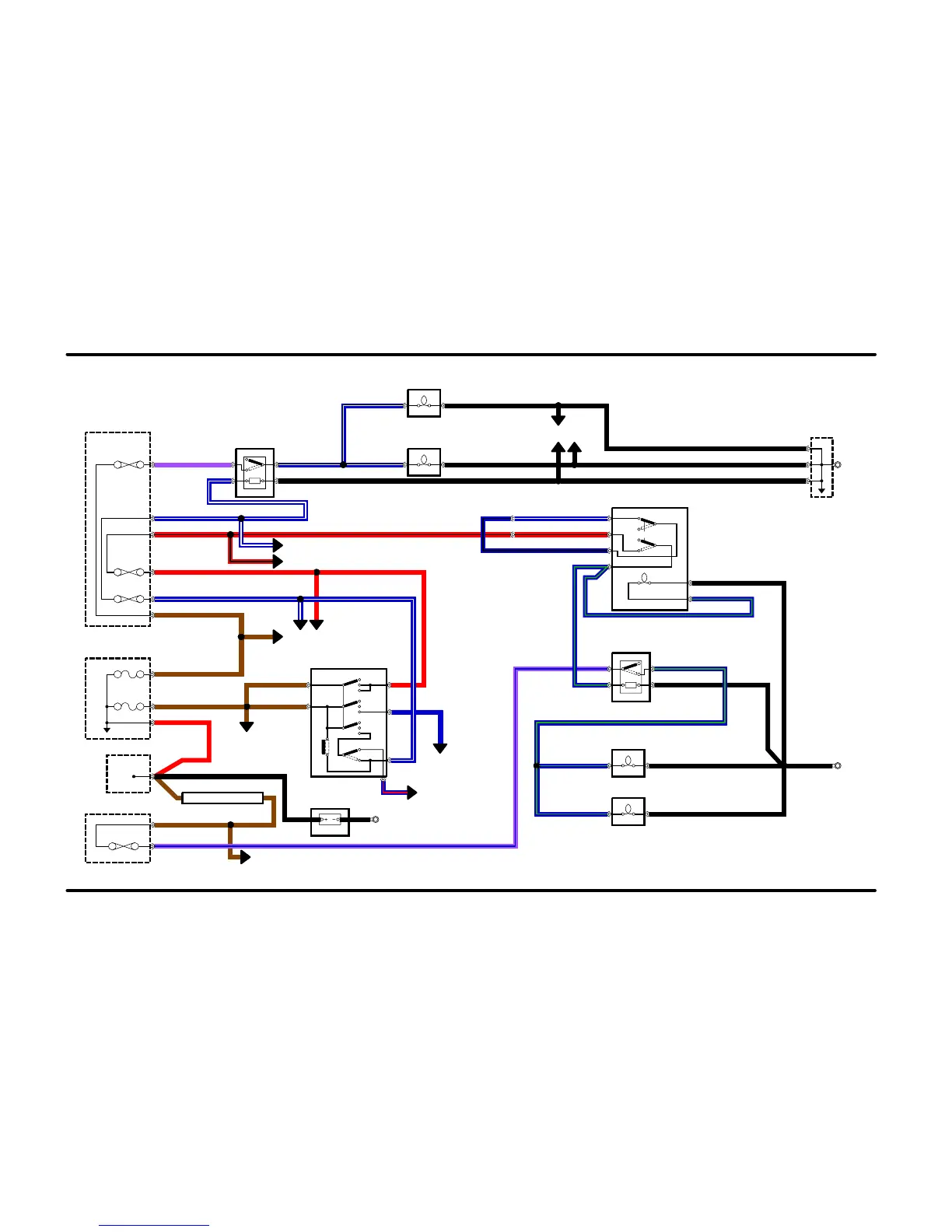
MINI 97 MODEL YEAR FROM VIN SAXXNNAZEBD 134455
87A
87
8685
30
EARTH
BATTERY
FUSE
DIP/MAIN SWITCH
DIP 3 SWITCH
SIDE 1 SWITCH
FLASH SWITCH
(463)
HEADER
EARTH
FUSE A1
FUSE C3
15 AMP
FUSE B1
10 AMP
FRONT FOG SWITCH 1
ON/OFF ILLUM (813)
LINK 3
LINK 1
30 AMP
15 AMP
10 AMP
5 WATT
5 WATT
13.5 VOLTS
30 AMP
5 WATT
5 WATT
1.2 WATT
C560-1
C41-2
C730-1
C827-2
C827-1
C550-6
C830-1 C829-1
C41-5
C41-1
C41-4
C41-6
C41-3
C550-3
C550-4C284-2C284-1
C283-2C283-1
C3-1
C065-8C427-1 C532-1
C3-2
C024-86
C024-87
C024-85
C024-30
C916-1
C917-1
C065-1
C065-4
C065-5
C570-3
C570-1
B1-1
B1-2
A1-2
A1-1
C823-1
C178-1
C534-86
C534-30
C534-85
C534-87
C514-2C514-1
C513-2C513-1
SJ7
SJ21
SJ1
SJ4
SJ44SJ37
SJ23
SJ2
SJ16
SJ38
SJ11
SJ4
SJ9
LAMP (299)
LH DRIVING
LAMP (298)
RH DRIVING
FRONT FOG LAMP RELAY (650)
DRIVING LAMP RELAY (725)
LH FRONT FOG LAMP (654)
RH FRONT FOG LAMP (656)
BATTERY (001)
DISTRIBUITON (B)
SEE EARTH
SEE POWER
SEE POWER
SEE POWER
FUSE HOLDER (695)
STARTER MOTOR (081)
FUSEBOX (011)
PASSENGER COMPARTMENT
LIGHTING SWITCH (002)
FRONT FOG LAMP SWITCH (709)
FUSEBOX (537)
ENGINE COMPARTMENT
DISTRIBUITON (A)
SEE POWER
PU
NN
B
UW
UB
N
UY
UG
B
UW
R
UG
UG
B
UG
N
UW
R
R
N
N
N
UW
RB RB RB
UW
PUY
B
UY
B
BB
B
UG
B
B
BB
FRONT FOG SWITCH 2
EXTERIOR LAMPS
FRONT FOG AND DRIVING LAMPS
43.3
87A
87
86
85
30
HYPALON FUSIBLE CABLE (051)
DISTRIBUTION (A)
DISTRIBUTION (A)
DISTRIBUTION (A)
SEE REAR FOG LAMP
CIRCUIT (QQ)
SEE HEAD AND
SIDE LAMPS
CIRCUIT (PP)

Related product manuals