EasyManua.ls Logo

Ruud UIWH18AVFJ - Wiring Diagrams; Models:uiwh18 Avfj, and UIWH24 AVFJ

Ruud UIWH18AVFJ
51 pages
Print Icon
To Next Page IconTo Next Page
To Next Page IconTo Next Page
To Previous Page IconTo Previous Page
To Previous Page IconTo Previous Page
Loading...
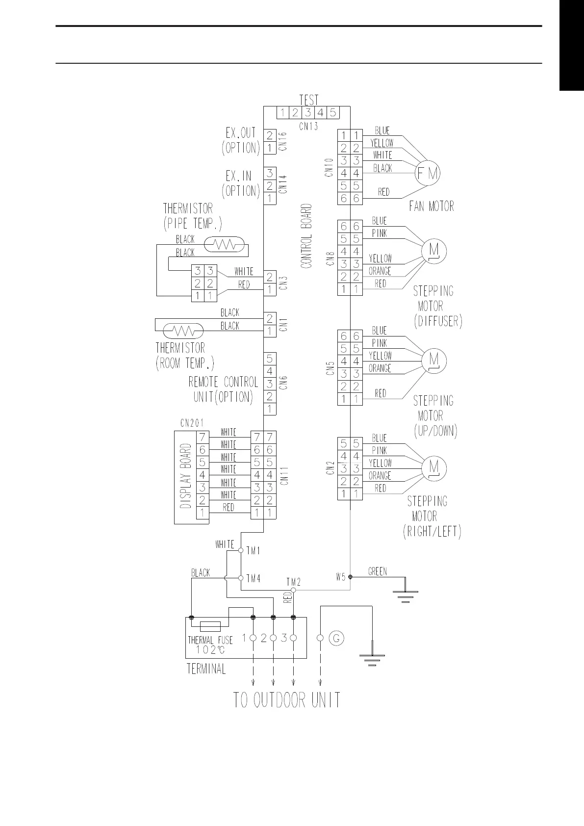
3. Wiring diagrams
3-1. Models:UIWH18AVFJ, and UIWH24AVFJ
- 5 -
WALL MOUNTED
UIWH18-24AVFJ

Related product manuals