EasyManua.ls Logo

Sailor RM2042 - Page 17

Sailor RM2042
106 pages
Print Icon
To Next Page IconTo Next Page
To Next Page IconTo Next Page
To Previous Page IconTo Previous Page
To Previous Page IconTo Previous Page
Loading...
1 INTRODUCTION RM2042
PAGE 1-9
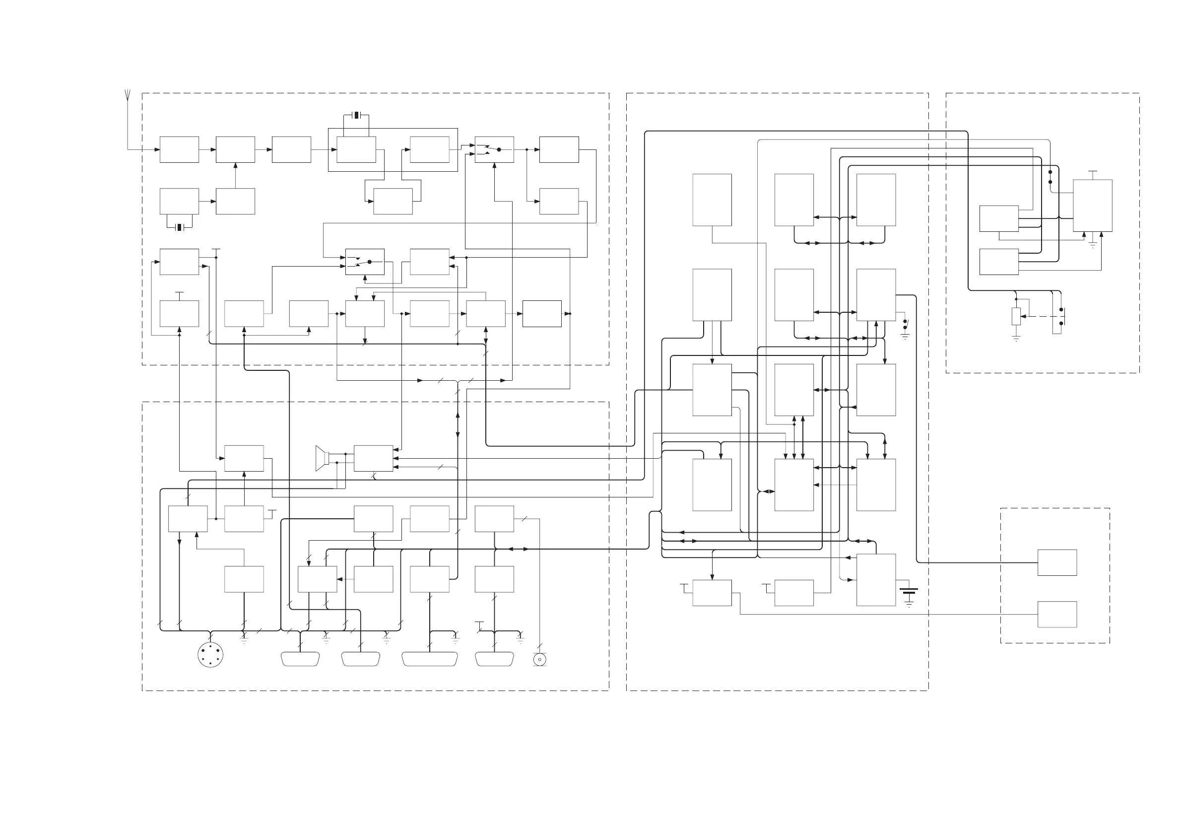
BLOCK DIAGRAM RM2042
amp.
Rx
Keyboard
matrix
backlight
Keyboard
Display
backlight
contrrol
View angel
LCD
Display
module.
+5V
control
First
mixer
Buffer
amp.
osc.
1’st local
141.225 MHz
amp.
15.3MHz
IF-filter &
& osc.
2’d Mixer
AF-detect
Limit amp.
RF-level det.
2’d IF-
450kHz
filter
Detect
Carrier
Modulation
det. logic.
FSK
modem.
Rx-AF
filter-6dB/oct.
AF-filter
gen.
Power fail
+10V reg.
+5V reg.
reset
Power
failure
reg.
+5V12V/24V
Wiring circ.
Fuse/rev.
voltage
switch
port conn.
VHF-
Ext.alarm.
ch.inforn.
Distress
VHF-
serial com.
AF-amp
w.mute.
Tx-AF
amps.
NMEA
data intf.
Printf. Intf.
&
C2149/
PC intf.
XTAL
8.000MHz
osc.
PROM
memory
EPROM
memory
RAM
memory
4.9152 MHz
XTAL osc.
&
I/O
ports
divider
int.f.
commuc.
Modem uP.
unit.
decoder
select
Cicuit
gen.
pulse
strobe
Printer uP
control
logic.
w.reset
Program
able
timers
32.76kHz
clock
Real time
converter
VoltageKeyboard
light on/off
Power con.
P3 J1
Handset VHF
P2
PRINTER
J4 J3
C2149/PC NMEA
J2
+5V
1
2
4
9
259
216
7
1 1
11
3
2
31
11
1
1
2
13
2
1
2
+5V
12
6
+5V
1
+10V
2
8
14.850MHz
+5VVcc
VOL ON/OFF
S1
P5
2
Carrier
Detect
logic.
AF-Switch
Control
-6 dB/oct.
AF-filter
filter
Tx-AF
protection
11
2
3
1
2
I/O-Ports
27502
RECEIVER
(MODULE 3)
(MODULE 1)
INTERFACE
(MODULE 6)
KEYBOARD
DISPLAY UNIT
(MODULE 4)
(MODULE 2)
MICROPROCESSOR
+
-

Related product manuals