EasyManua.ls Logo

Sailor RM2042 - Page 43

Sailor RM2042
106 pages
Print Icon
To Next Page IconTo Next Page
To Next Page IconTo Next Page
To Previous Page IconTo Previous Page
To Previous Page IconTo Previous Page
Loading...
3 SERVICE RM2042
3
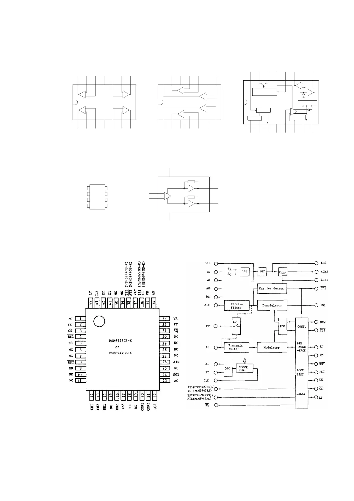
LM324 (SO-8 PACKAGE)
TDA7052 (DIL-8 PACKAGE)
INTEGREATED CIRCUIT, ANALOG:
-
+
+
-
-
+
+
-
2
4
1
14
INPUT 3 +
INPUT 3 -
OUTPUT 3
GND
INPUT 4 +
INPUT 4 -
OUTPUT 4
13 12 11 10 9 8
OUTPUT 1
INPUT 1 -
INPUT 1 +
V CC
OUTPUT 2
INPUT 2 -
INPUT 2 +
INPUT 2 +
INPUT 2 -
OUTPUT 2
V CC
INPUT 1 +
INPUT 1 -
OUTPUT 1
8910111213
OUTPUT 3
OUTPUT 4
INPUT 4 +
GND
INPUT 3 -
INPUT 3 +
INPUT 4 -
14
1
2
+
-
LM339 (SO-8 PACKAGE)
+
-
-
+
-
+
7654321 1 2 3 4 5 6 7
3
4
NC
OUTPUT 2
GROUND
OUTPUT 1NC
GROUND
INPUT
VDD 1
2
3
4 5
6
7
8
1
GND
VDD
6
2
3
5
8
INPUT
GROUND
OUTPUT 2
OUTPUT 1
1 2 3 4 5 6 7
10111213141516
+
-
MC3372 (SO-16 CASE)
9
8
Oscillator
Mixer
Squelch Trigger
with Hysteresis
Demodulator
10pF
53k
AF
Amp
Filter
Amp
Limiter
Amp
MSM6927 (24-LEAD FLAT-PACK)
SQUELCH
FILTER OUT
FILTER IN
MUTE
METER
GND
IF INPUT
AF OUT
X-TAL
VCC
LIMITER IN
IF OUTPUT
X-TAL
DECOUP
LIMITER OUT
QUAD IN
PAGE 3-13
9403

Related product manuals