EasyManua.ls Logo

Sailor RM2042 - Page 46

Sailor RM2042
106 pages
Print Icon
To Next Page IconTo Next Page
To Next Page IconTo Next Page
To Previous Page IconTo Previous Page
To Previous Page IconTo Previous Page
Loading...
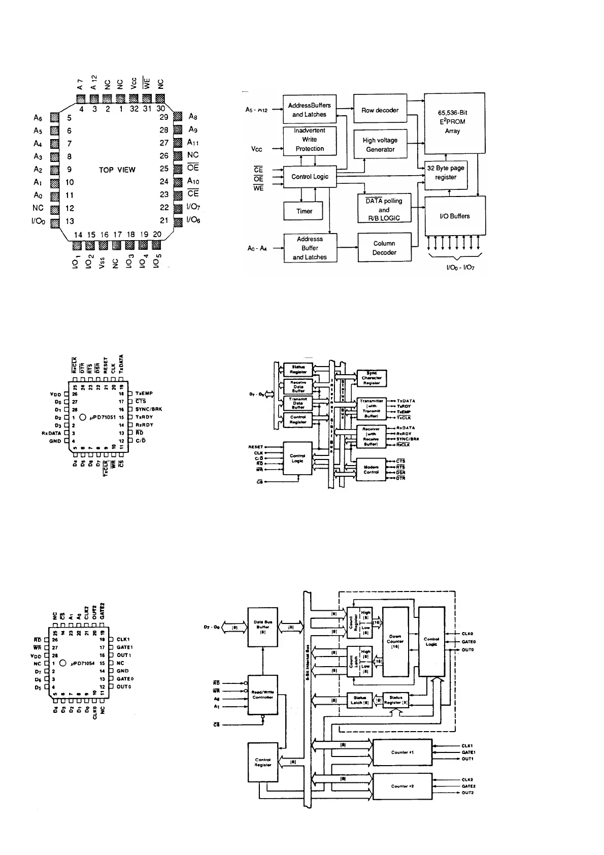
3 SERVICE RM2042
71055/NEC & 82C55/OTHERS (44-LEAD PLCC PACKAGE)
8573A (28-LEAD PLCC PACKAGE)
AD232 (SO-16L PACKAGE)
PAGE 3-16
9403

Related product manuals