EasyManua.ls Logo

Sailor RM2042 - Page 67

Sailor RM2042
106 pages
Print Icon
To Next Page IconTo Next Page
To Next Page IconTo Next Page
To Previous Page IconTo Previous Page
To Previous Page IconTo Previous Page
Loading...
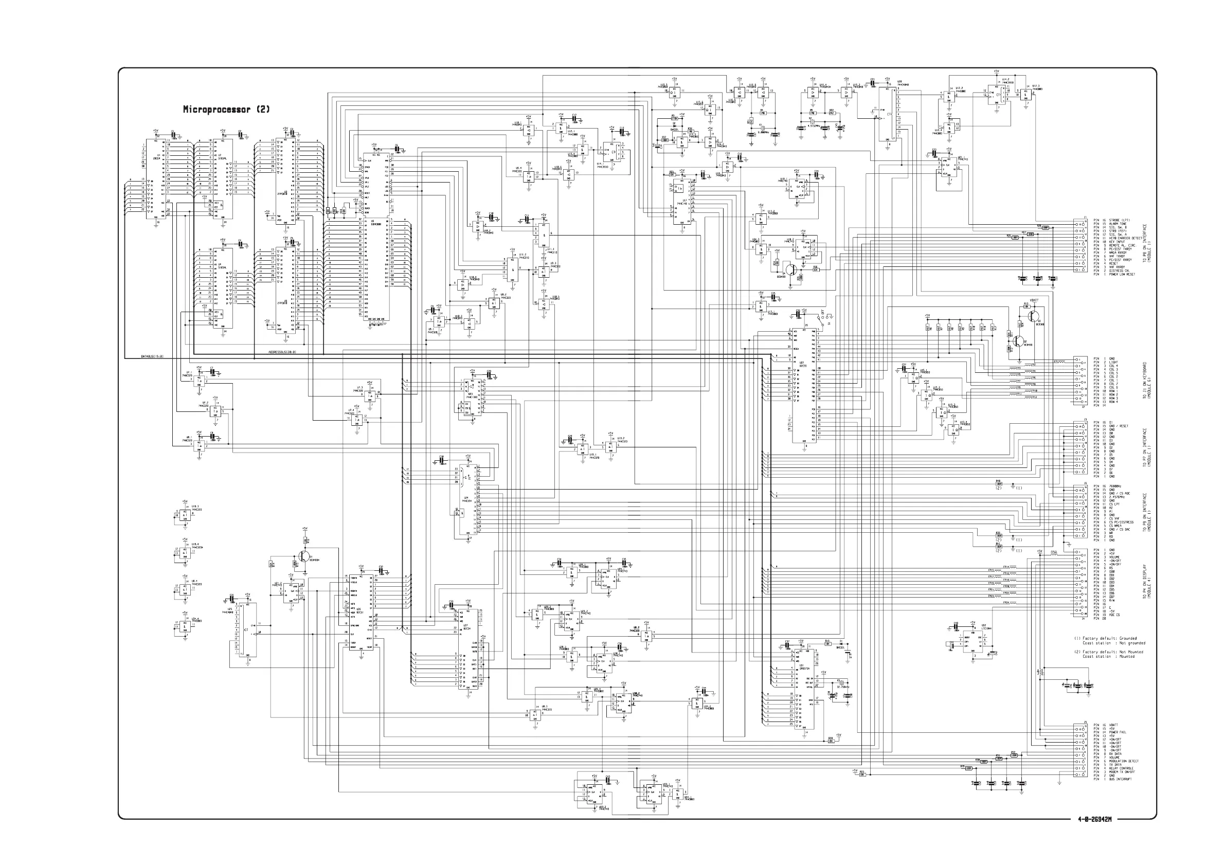
5 CIRCUIT DESCRIPTION AND SCHEMATIC DIAGRAMS RM2042
MICROPROCESSOR MODULE 2
This diagram is valid for PCB rev. 26942L
9505
PAGE 5-11

Related product manuals