EasyManua.ls Logo

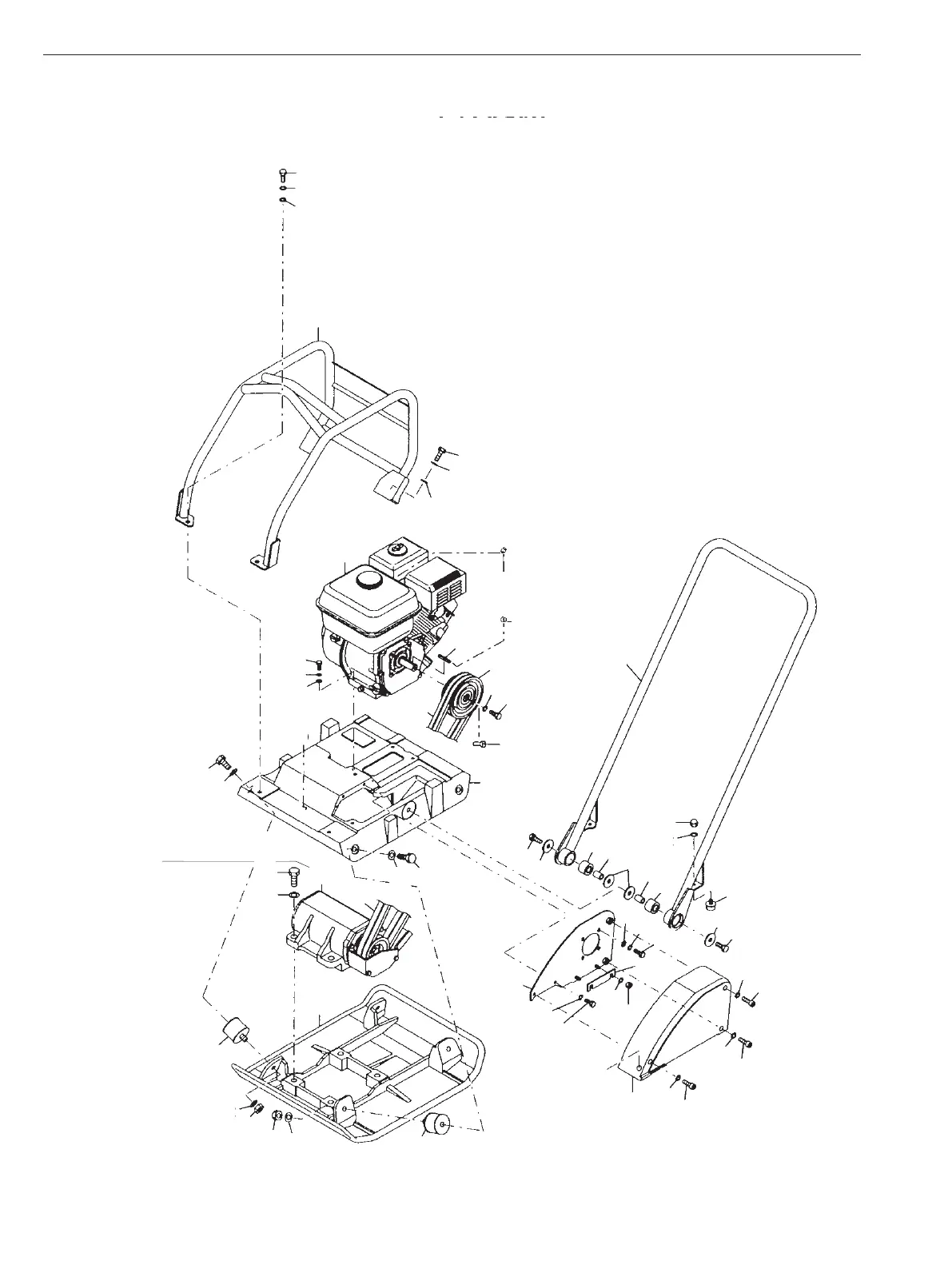
Sakai PC800 - Frame Parts Diagram

Sakai PC800
40 pages
Print Icon
To Next Page IconTo Next Page
To Next Page IconTo Next Page
To Previous Page IconTo Previous Page
To Previous Page IconTo Previous Page
Loading...
4-002
PARTS CATALOGUE
2. FRAME
PC800-04001
3
5
6
7
8
9
10
11
12
13
14
15
16
17
18
19
20
22
23
24
25
26
27
28
29
30
31
32
33
34
35
36
37
38
39
40
41
42
43
44
45
46
47
48
58
59
60
61
62
63
64
65
66
67
68
69
76
77
78
31
44
45
46
47
See VIBRATOR

Table of Contents

Related product manuals