EasyManua.ls Logo

Sako SKI-70 - Chapter 2 Electric Installations; Main Circuit Terminals and Wiring

Default Icon
97 pages
Print Icon
To Next Page IconTo Next Page
To Next Page IconTo Next Page
To Previous Page IconTo Previous Page
To Previous Page IconTo Previous Page
Loading...
4
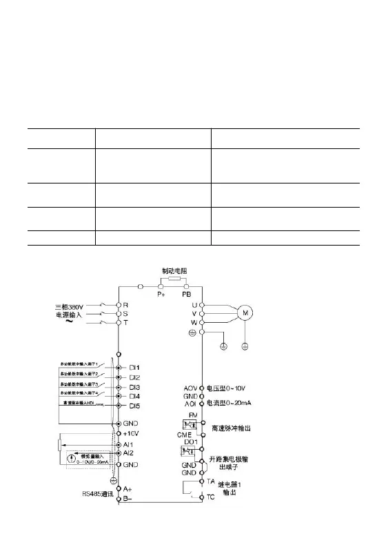
第二章电气安装 Chapter 2 Electric installations
2.1 主电路端子及接线 Main electric circuit terminals and wiring
1)变频器主回路端子说明:Frequency converter main circuit terminal instruction:
端子标记
Terminal
marks
名称 Name
说明 Instruction
R, S, T/LN
电源输入端子
Power supply input
terminals
三相
380V/
单相 220V 交流电源连接点
Connection point of three-phase 380V /
single-phase 220V AC power supply
P+
,
PB
制动电阻连接端子
Brake electric
resistance connect terminals
连接制动电阻
Connect brake electric
resistance
U, V
,
W
变频器输出端子 Frequency
converter output terminals
连接三相电动机 Connect three phase motor
接地端子
Grounding terminals
接地端子
Grounding terminals
2.1.2 变频器控制回路接线方式
Wiring method of frequency converter control circuit

Related product manuals