EasyManua.ls Logo

Sam AD Series - Page 11

Sam AD Series
36 pages
Print Icon
To Next Page IconTo Next Page
To Next Page IconTo Next Page
To Previous Page IconTo Previous Page
To Previous Page IconTo Previous Page
Loading...
11
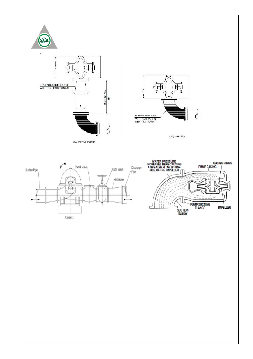
Discharge piping should be installed with check valve and gate valve, with
the check valve being between the pump and the gate valve. The check
valve prevents reverse flow and protects the pump from excessive
backpressure. The gate valve is used to isolate the pump for
maintenance, priming and starting.

Related product manuals