EasyManua.ls Logo

Samoa PUMPMASTER 2 - Page 12

Samoa PUMPMASTER 2
32 pages
Print Icon
To Next Page IconTo Next Page
To Next Page IconTo Next Page
To Previous Page IconTo Previous Page
To Previous Page IconTo Previous Page
Loading...
12
835 807 R. 03/18
SAMOA Industrial, S.A. · Pol. Ind. Porceyo, I-14 · Camino del Fontán, 831 · 33392 - Gijón - Spain · Tel.: +34 985 381 488 · www.samoaindustrial.com
2018_03_15-11:00
FR
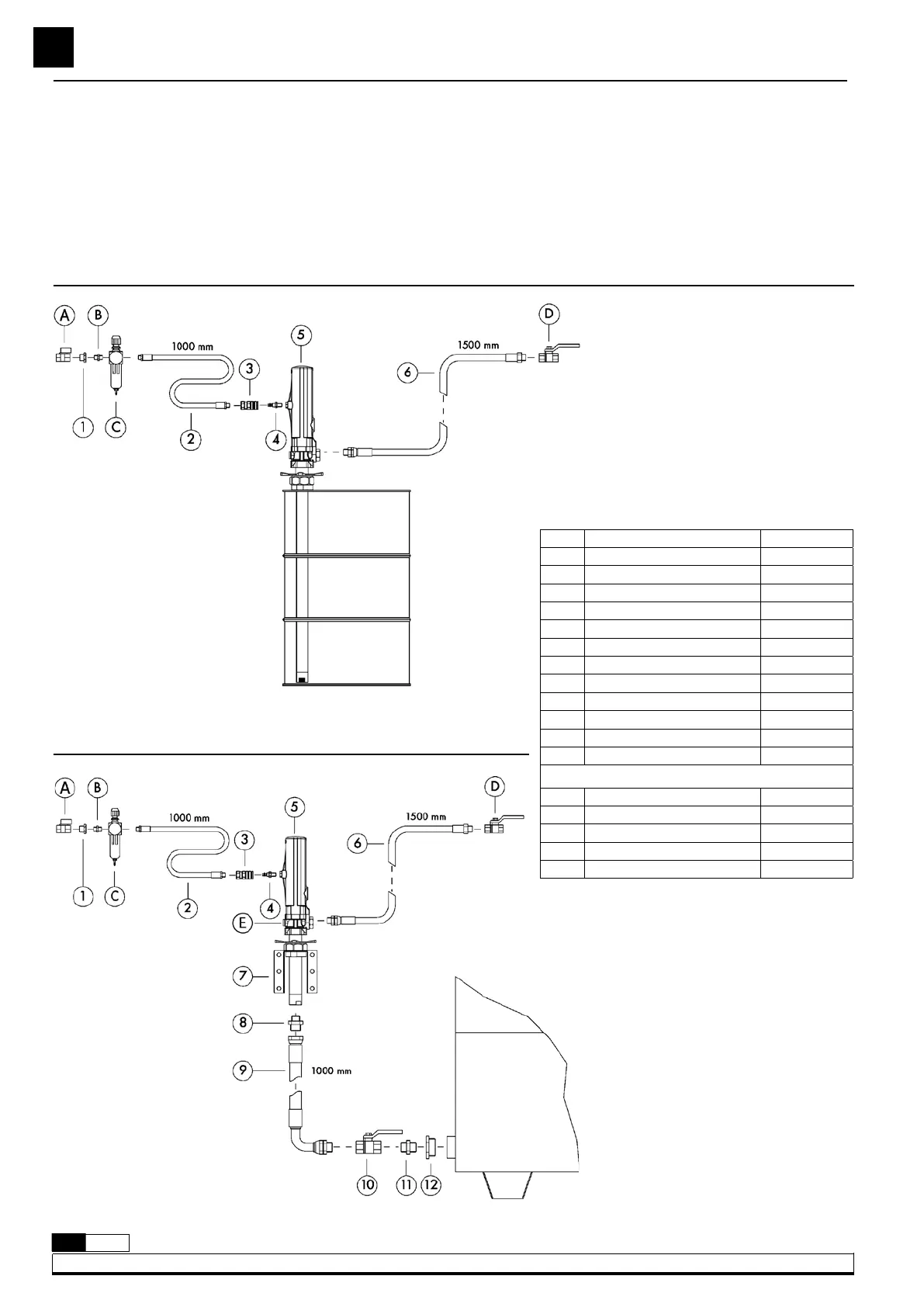
NOTE: La pression d’alimentation en air doit être comprise entre 3 et
10 bar sachant que la pression recommandée est de 6 bar. Il est
également conseillé d’installer une vanne d’arrêt pour pouvoir ainsi
bloquer l’alimentation en air à la fin de chaque journée de travail. En
effet, en cas de fuite au niveau de la sortie d’huile et si par malheur
l’alimentation en air n’était pas coupée, la pompe se mettrait
automatiquement en marche et le réservoir pourrait se vider.
Pos. Description Réf.
1 Raccord 945516
2 Flexible de liaison air 246010
3 Raccord rapide 253114
4 Embout rapide 259014
5 Pompe 353110
6 Flexible de sortie 362101
7 Support mural 360102
8 Raccord 945552
9 Flexible d’aspiration 362400
10 Vanne 950306
11 Raccord 945555
12 Raccord 945565
En option
A Vanne air comprimé 950319
B Raccord 239000
C Régulateur / filtre 240500
D Vanne 950300
E Clapet de décharge 609007
MONTAGE SUR FÛT
Fig. 3a
FIXATION MURALE
Fig. 3b
BRANCHEMENT TYPE DE LA POMPE
La figure 3a et 3b vous présente à titre informatif une installation
typique dotée de tous les éléments recommandés pour son bon
fonctionnement.

Related product manuals