EasyManua.ls Logo

Samoa PUMPMASTER 2 - Page 7

Samoa PUMPMASTER 2
32 pages
Print Icon
To Next Page IconTo Next Page
To Next Page IconTo Next Page
To Previous Page IconTo Previous Page
To Previous Page IconTo Previous Page
Loading...
7
R. 03/18 835 807
SAMOA Industrial, S.A. · Pol. Ind. Porceyo, I-14 · Camino del Fontán, 831 · 33392 - Gijón - Spain · Tel.: +34 985 381 488 · www.samoaindustrial.com
2018_03_15-11:00
ES
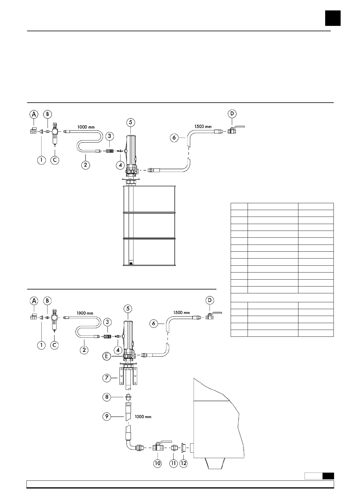
NOTA: La presión de alimentación de aire debe estar comprendida entre
3 y 10 bar siendo 6 bar la presión recomendada. Es aconsejable instalar,
asimismo, una válvula de cierre para poder cerrar la alimentación de aire
al final de la jornada. (En caso de roturas o fugas en la salida de aceite, si
la alimentación de aire no está cerrada, la bomba se pondría en marcha
automáticamente, pudiendo vaciarse completamente el depósito).
Pos. Descripción Cód.
1 Racor 945516
2 Manguera de aire 246010
3 Enchufe rápido 253114
4 Conector rápido 259014
5 Bomba 353110
6 Manguera de salida 362101
7 Soporte mural 360102
8 Racor 945552
9 Manguera de succión 362400
10 Válvula 950306
11 Racor 945555
12 Racor 945565
Opcional
A Válvula 950319
B Racor 239000
C Filtro regulador 240500
D Válvula 950300
E Vávula seguridad 609007
MONTAJE SOBRE BIDÓN
Fig. 3a
MONTAJE MURAL
Fig. 3b
CONEXIÓN TIPO DE LA BOMBA
A título informativo, se muestra en las figuras 3a y 3b una instalación
típica con todos los elementos recomendados para su correcto
funcionamiento.

Related product manuals