EasyManua.ls Logo

Samson VX2510 - Appendix B: Block Diagram

Samson VX2510
20 pages
Print Icon
To Next Page IconTo Next Page
To Next Page IconTo Next Page
To Previous Page IconTo Previous Page
To Previous Page IconTo Previous Page
Loading...
14
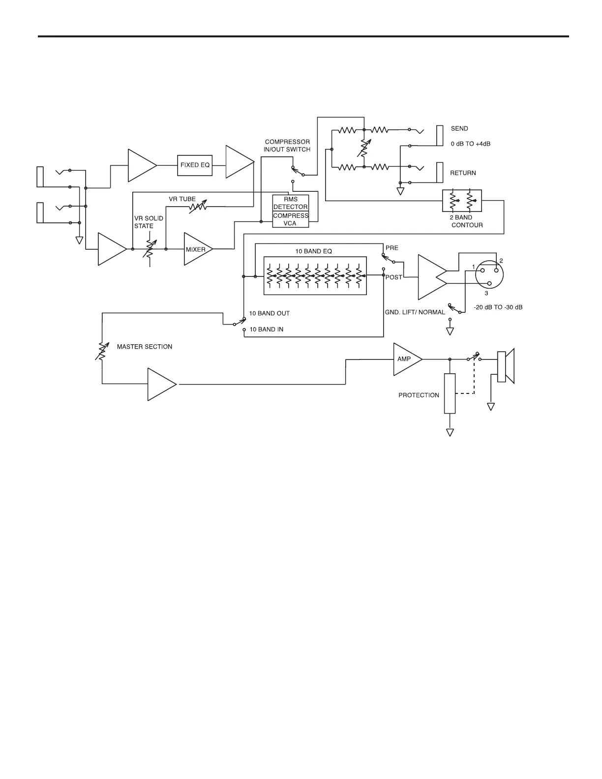
Appendix B: Block Diagram
Model 2500

Related product manuals