EasyManua.ls Logo

Samsung 330 - Connecting a PC

Samsung 330
88 pages
Print Icon
To Next Page IconTo Next Page
To Next Page IconTo Next Page
To Previous Page IconTo Previous Page
To Previous Page IconTo Previous Page
Loading...
English - 12
Connecting a PC
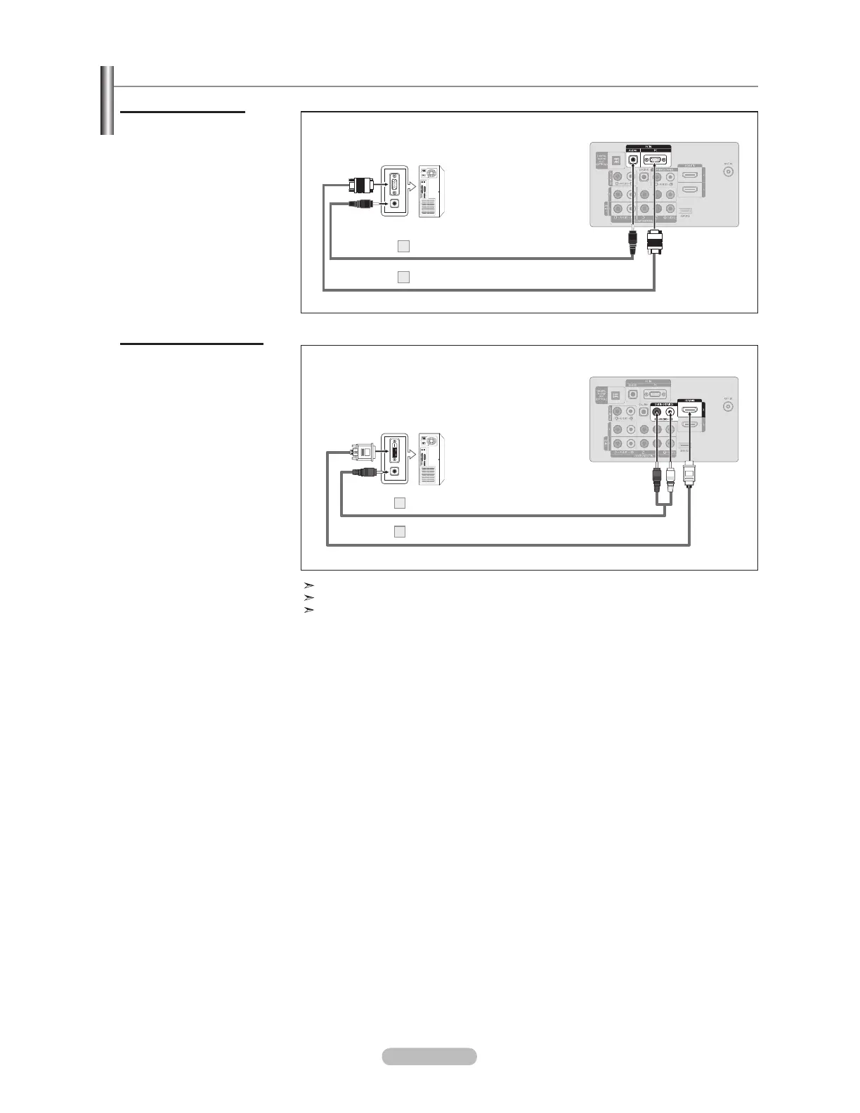
Using the D-Sub Cable
1. Connect a D-Sub Cable
between PC IN [PC] connector
on the TV and the PC output
connector on your computer.
2. Connect a PC Audio Cable
between the PC IN [AUDIO]
jack on the TV and the Audio
Out jack of the sound card on
your computer.
Using the HDMI/DVI Cable
1. Connect a HDMI/DVI cable
between the HDMI IN 2 jack
on the TV and the PC output
jack on your computer.
2. Connect a 3.5 mm Stereo
mini-plug/2RCA Cable
between the DVI IN(HDMI2)
[R-AUDIO-L] jack on the
TV
and the Audio Out jack of the
sound card on your computer.
PC
TV Rear Panel
D-Sub Cable (Not supplied)
1
PC Audio Cable (Not supplied)2
Each PC has a different back panel configuration.
When connecting a PC, match the color of the connection terminal to the cable.
When using an HDMI/DVI cable connection, you must use the HDMI IN 2 jack.
3.5 mm Stereo mini-plug/2RCA Cable (Not supplied)
2
HDMI/DVI Cable (Not supplied)1
TV Rear Panel
PC

Table of Contents