EasyManua.ls Logo

Samsung 4 - Page 133

Samsung 4
163 pages
Print Icon
To Next Page IconTo Next Page
To Next Page IconTo Next Page
To Previous Page IconTo Previous Page
To Previous Page IconTo Previous Page
Loading...
Shqip
Lidhjet
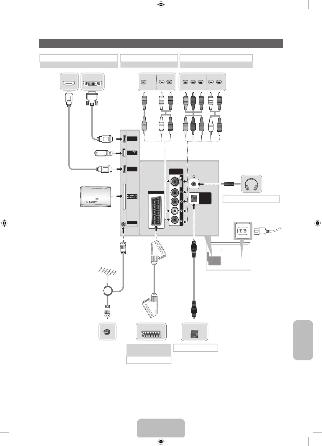
SHËNIM
• Hyrja PC(D-Sub) dhe PC/DVI AUDIO IN nuk mbështeten.
• Lidhja nëpërmjet kabllos HDMI mund të mos mbështetet, në varësi kjo të PC-së.
• Nëse në folenë HDMI IN 2 (DVI) lidhet kabllo DVI-HDMI, nuk do të ketë audio.
• Për lidhjen e marrësit me kabllo HDMI, rekomandojmë që të lidheni me folenë HDMI IN 1(STB).
• Foleja e kufjeve mbështet vetëm tipin me 3 përçues majë-unazë-kapëse (TRS).
• HDD-ja (Njësia e diskut të ngurtë) e lidhur me USB-në nuk mbështetet.
AUDIO
VIDEO
COMPONENT
/ AV IN
DIGITAL
AUDIO OUT
(OPTICAL)
EXT (RGB)
(5V 0.5A)
USB
ANT IN
AIR/CABLE
AUDIO
VIDEO
COMPONENT
/ AV IN
HDMI IN 2
(DVI)
HDMI IN 1
(STB)
AUDIO OUT
R-AUDIO-L
VIDEO OUT
AUDIO OUT
R-AUDIO-L
P
B
PRY
COMPONENT OUT
OPTICAL
HDMI OUT
DVI OUT
EXT
Y
R
W
R
W
R
B
R
G
Y
W
R
W
R
R
B
R
G
Antena VHF/UHF
Kabllor
USB
COMMON INTERFACE
ose
Paneli i pasmë i TV-së
Paneli anësor i TV-së
Marrësi/lexuesi BD/kompjuteri
Lidhja HDMI
Lidhja e audios
VCR ose DVD
Lidhja SCART
Lexuesi BD
Lidhja e komponentit
Lexuesi BD
Lidhja AV
Pozicioni i portës mund të ndryshojë në
varësi të modelit.
Mbështet lidhje si Komponent
ashtu dhe AV në një portë.
Lidhja e kufjeve
Shqip- 7
[UF40005000-XH]BN68-04784C-06L09.indb 7 2013-11-21  10:42:52

Table of Contents

Related product manuals