EasyManua.ls Logo

Samsung 4 - Page 79

Samsung 4
163 pages
Print Icon
To Next Page IconTo Next Page
To Next Page IconTo Next Page
To Previous Page IconTo Previous Page
To Previous Page IconTo Previous Page
Loading...
Srpski
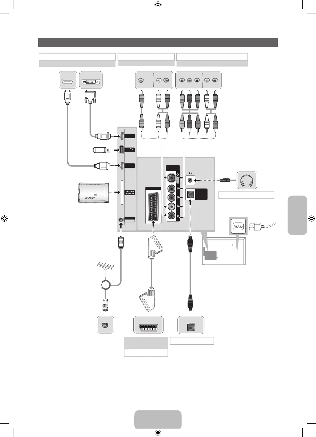
Povezivanje
NAPOMENA
• Ulazi PC (D-Sub) i PC/DVI AUDIO IN nisu podržani.
• U zavisnosti od računara, povezivanje pomoću HDMI kabla možda neće biti podržano.
• Ako je na priključak HDMI IN 2 (DVI) povezan HDMI-DVI kabl, zvuk neće raditi.
• Ukoliko želite da povežete set-top box uređaj preko HDMI kabla, preporučujemo da ga uključite u priključak HDMI IN 1(STB).
• Priključak za slušalice podržava samo tip sa 3 provodnika (Tip-Ring-Sleeve – TRS).
• Nije podržan čvrsti disk (HDD) koji je povezan na USB priključak.
AUDIO
VIDEO
COMPONENT
/ AV IN
DIGITAL
AUDIO OUT
(OPTICAL)
EXT (RGB)
(5V 0.5A)
USB
ANT IN
AIR/CABLE
AUDIO
VIDEO
COMPONENT
/ AV IN
HDMI IN 2
(DVI)
HDMI IN 1
(STB)
AUDIO OUT
R-AUDIO-L
VIDEO OUT
AUDIO OUT
R-AUDIO-L
P
B
PRY
COMPONENT OUT
OPTICAL
HDMI OUT
DVI OUT
EXT
Y
R
W
R
W
R
B
R
G
Y
W
R
W
R
R
B
R
G
VHF/UHF antena
Kablovska
USB
COMMON INTERFACE
ili
Tabla na zadnjoj strani televizora
Tabla na bočnoj strani
televizora
Set-top box uređaj/BD plejer/računar
HDMI veza
Audio veza
Videorikorder ili DVD
SCART veza
BD plejer
Komponentna veza
BD plejer
AV veza
Položaj priključka može da se razlikuje u
zavisnosti od modela.
Podržava komponentnu i
AV vezu pomoću jednog
priključka.
Slušalice veza
Srpski - 7
[UF40005000-XH]BN68-04784C-06L09.indb 7 2013-11-21  10:42:25

Table of Contents

Related product manuals