EasyManua.ls Logo

Samsung 4 - Page 97

Samsung 4
163 pages
Print Icon
To Next Page IconTo Next Page
To Next Page IconTo Next Page
To Previous Page IconTo Previous Page
To Previous Page IconTo Previous Page
Loading...
Hrvatski
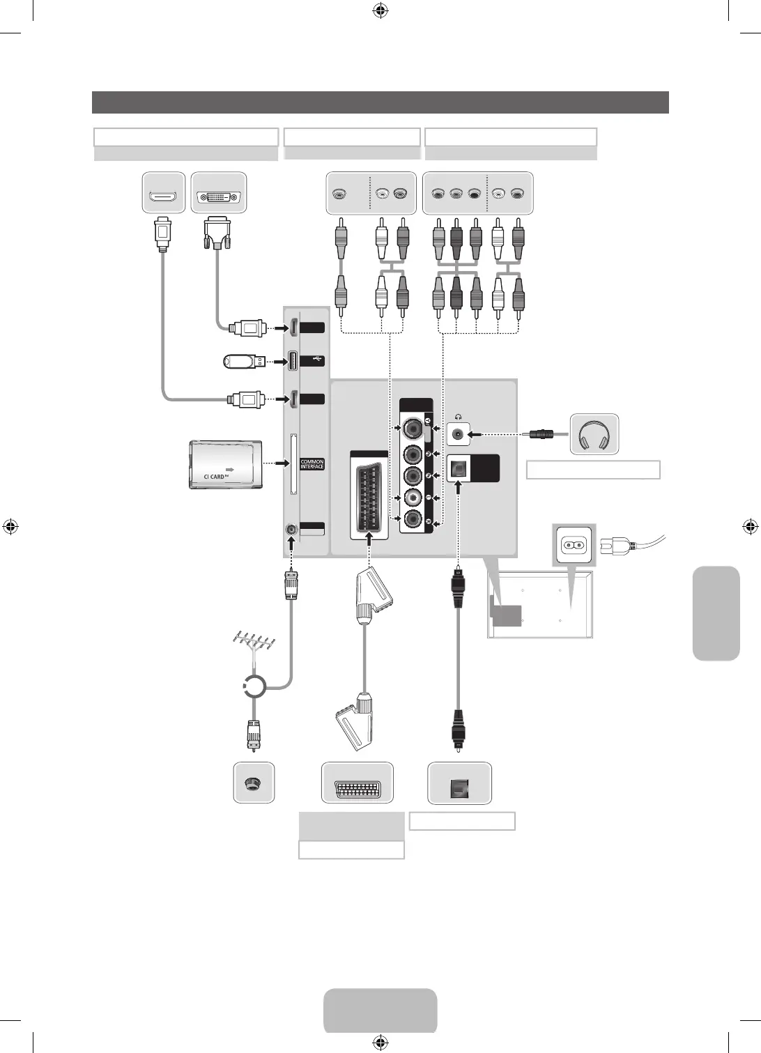
Priključci
NAPOMENA
• Ulazi PC(D-Sub) i PC/DVI AUDIO IN nisu podržani.
• Povezivanje pomoću HDMI kabela možda nije podržano, ovisno o računalu.
• Ako je HDMI-DVI kabel priključen u ulaz HDMI IN 2 (DVI), zvuk neće raditi.
• Za povezivanje uređaja set-top box pomoću HDMI kabela preporučujemo da koristite priključak HDMI IN 1(STB).
• Priključnica za slušalice podržava samo vrstu TRS priključka s 3 vodiča.
• Povezivanje HDD pogona (tvrdog diska) putem USB veze nije podržano.
AUDIO
VIDEO
COMPONENT
/ AV IN
DIGITAL
AUDIO OUT
(OPTICAL)
EXT (RGB)
(5V 0.5A)
USB
ANT IN
AIR/CABLE
AUDIO
VIDEO
COMPONENT
/ AV IN
HDMI IN 2
(DVI)
HDMI IN 1
(STB)
AUDIO OUT
R-AUDIO-L
VIDEO OUT
AUDIO OUT
R-AUDIO-L
P
B
PRY
COMPONENT OUT
OPTICAL
HDMI OUT
DVI OUT
EXT
Y
R
W
R
W
R
B
R
G
Y
W
R
W
R
R
B
R
G
VHF/UHF antena
Kabelska TV
USB
COMMON INTERFACE
ili
Stražnja ploča televizora
Bočna ploča televizora
Set top box / BD reproduktor / računalo
HDMI veza
Audio veza
VCR ili DVD
SCART priključak
BD uređaj za reprodukciju
Komponentni priključak
BD uređaj za reprodukciju
AV priključak
Položaj priključka može se razlikovati ovisno
o modelu uređaja.
Jedan priključak podržava i
komponentni i AV priključak.
Slušalice veza
Hrvatski - 7
[UF40005000-XH]BN68-04784C-06L09.indb 7 2013-11-21  10:42:34

Table of Contents

Related product manuals