EasyManua.ls Logo

Samsung 720N - Page 29

Samsung 720N
56 pages
Print Icon
To Next Page IconTo Next Page
To Next Page IconTo Next Page
To Previous Page IconTo Previous Page
To Previous Page IconTo Previous Page
Loading...
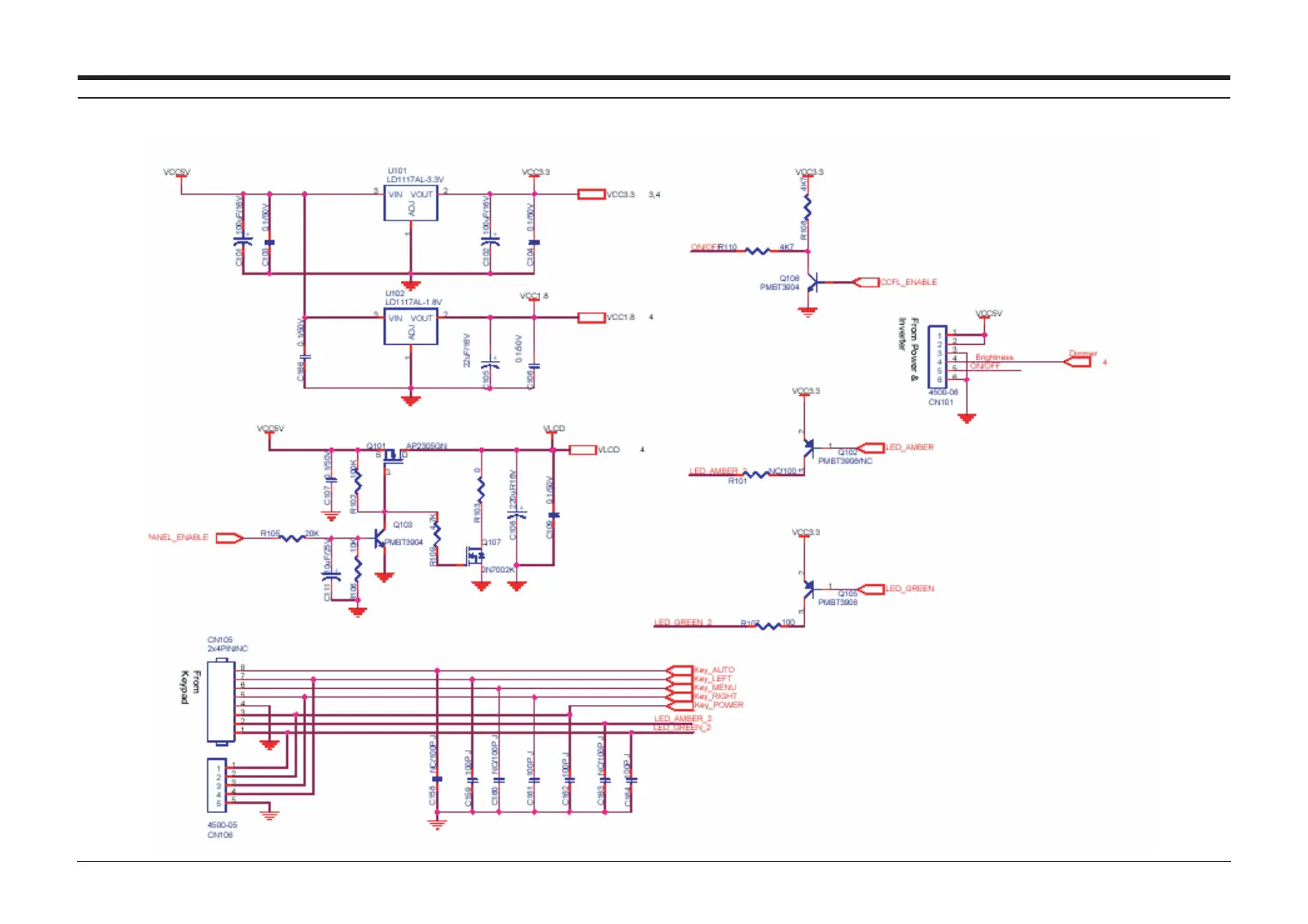
9 Schematic Diagrams
9-1
9 Schematic Diagrams
- This Document can not be used without Samsungs authorization.
9-1 DC-DC

Related product manuals