EasyManua.ls Logo

Samsung 720N - Page 30

Samsung 720N
56 pages
Print Icon
To Next Page IconTo Next Page
To Next Page IconTo Next Page
To Previous Page IconTo Previous Page
To Previous Page IconTo Previous Page
Loading...
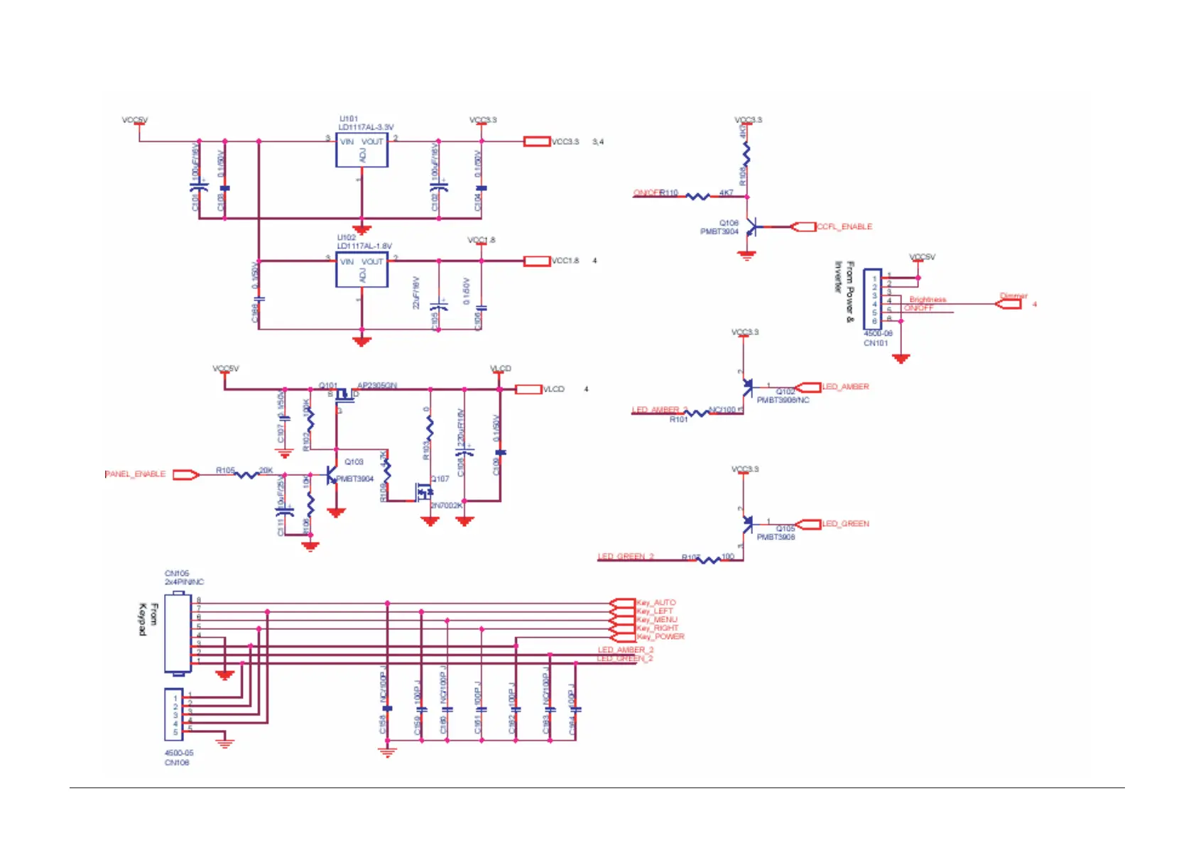
9 Schematic Diagrams
9-2
9-2 INPUT

Related product manuals