EasyManua.ls Logo

Samsung AW0700A - Wiring Diagram

Samsung AW0700A
50 pages
Print Icon
To Next Page IconTo Next Page
To Next Page IconTo Next Page
To Previous Page IconTo Previous Page
To Previous Page IconTo Previous Page
Loading...
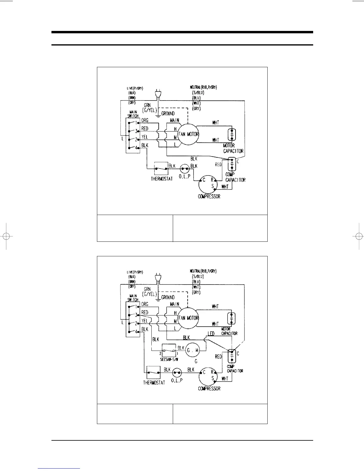
8. Wiring Diagram
DIAGRAM-ELECTRIC
AW1400A
AW✳✳✳0✳✳✳
AW1800A
DIAGRAM-ELECTRIC
AW✳✳✳1✳✳✳
Samsung Electronics 8-1
DB68-02476A(4)-2 2/18/03 4:18 PM Page 8-3

Other manuals for Samsung AW0700A

Related product manuals