EasyManua.ls Logo

Samsung AW0700A - Page 48

Samsung AW0700A
50 pages
Print Icon
To Next Page IconTo Next Page
To Next Page IconTo Next Page
To Previous Page IconTo Previous Page
To Previous Page IconTo Previous Page
Loading...
Samsung Electronics 8-3
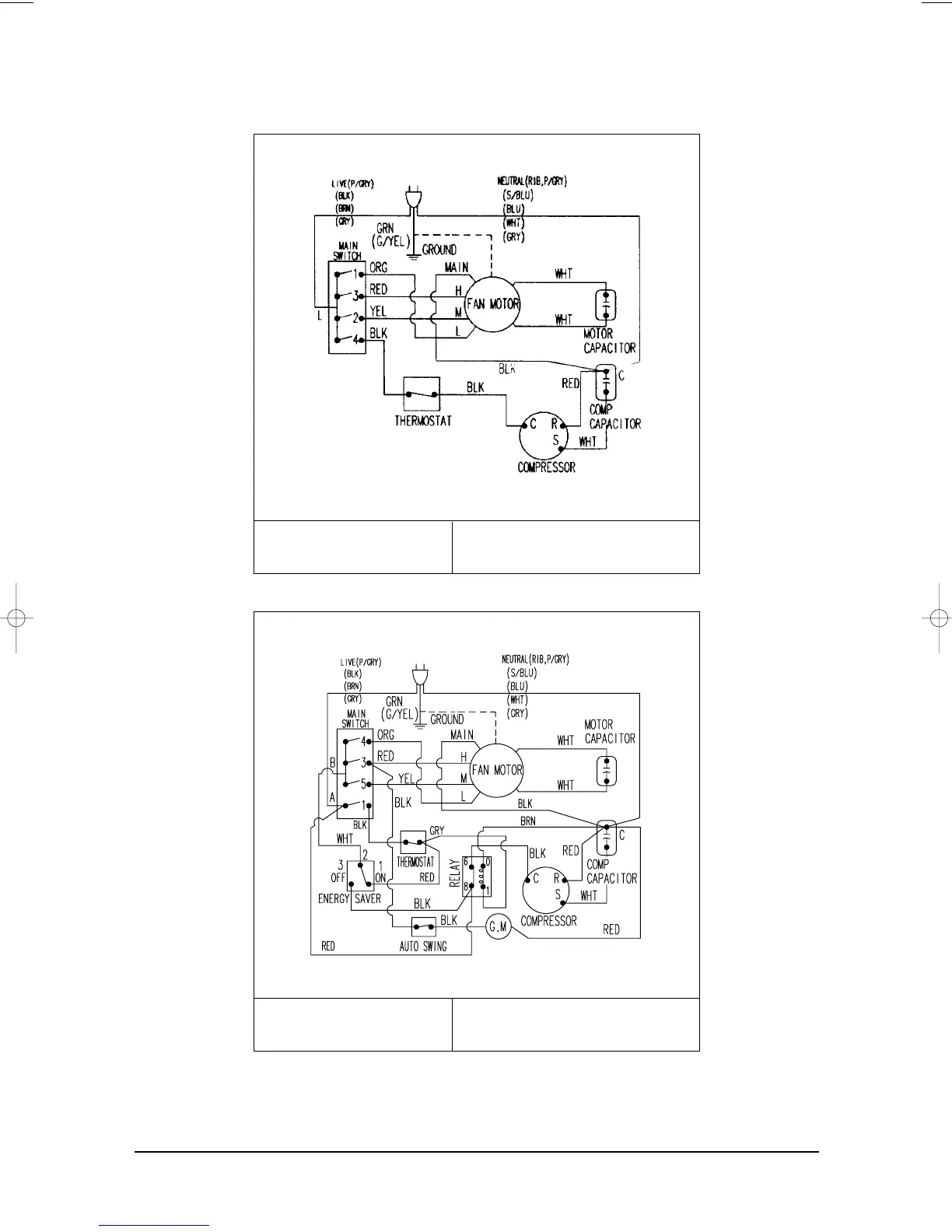
DIAGRAM-ELECTRIC
AW✳✳✳0✳✳✳
(OLP INTERNAL TYPE)
DIAGRAM-ELECTRIC
AW2410C
Wiring Diagram
DB68-02476A(4)-2 2/18/03 4:18 PM Page 8-5

Other manuals for Samsung AW0700A

Related product manuals