EasyManua.ls Logo

Samsung CE2713 - Schematic Diagrams

Samsung CE2713
22 pages
Print Icon
To Previous Page IconTo Previous Page
To Previous Page IconTo Previous Page
Loading...
8-1Samsung Electronics
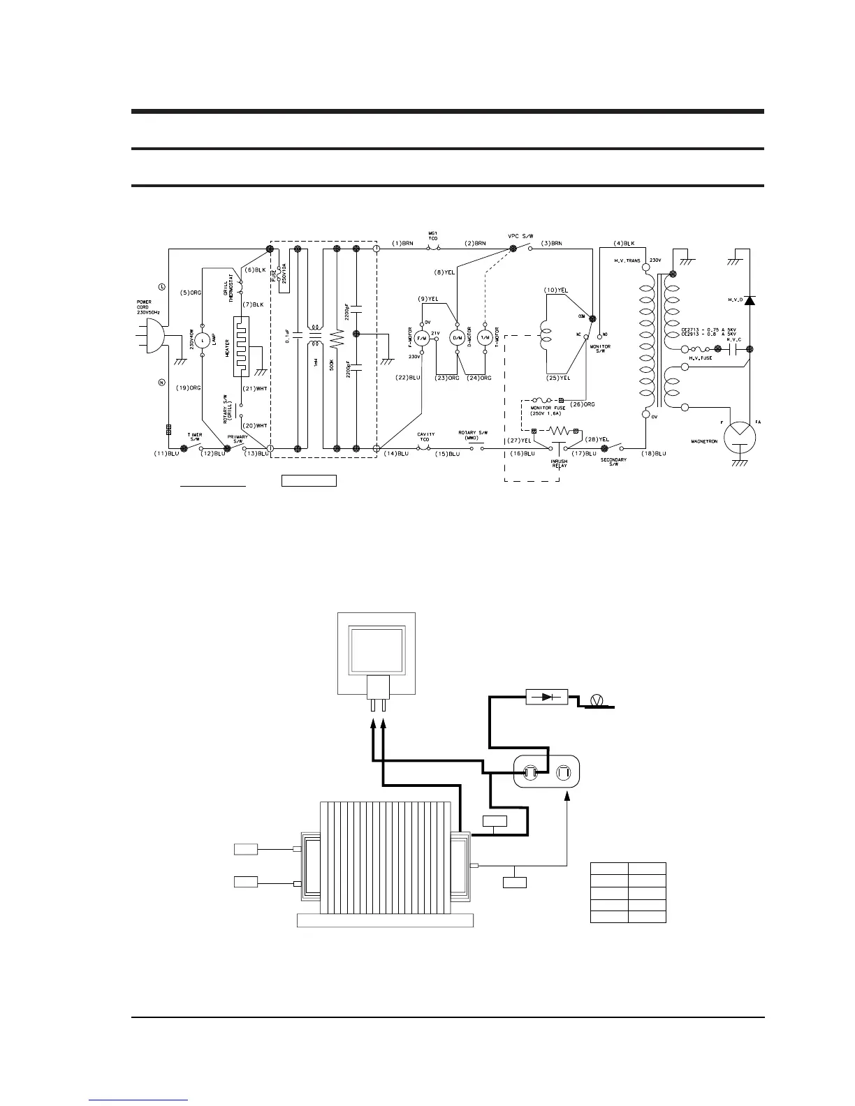
8. Schematic Diagrams
8-1 Schematic Diagrams
CONDITION OF OVEN
DOOR IS OPENED
BRN : BROWN
WHT : WHITE
RED : RED
BLK : BLACK
Y/G : YELLOW GREEN
BLU : BLUE
ORG : ORANGE
YEL : YELLOW
COOK OFF
WIRING COLOR
MAGNETRON
FA
F
RED
RED
RED
RED
SYMBOL COLOR
BRN BROWN
BLK BLACK
RED RED
BLU BLUE
BRN
BLU
HIGH VOLTAGE
TRANSFORMER
HIGH VOLTAGE CAPACITOR
HIGH VOLTAGE
DIODE
TO CHASSIS
H.V.FUSE

Related product manuals