EasyManua.ls Logo

Samsung CK95 - Schematic Diagrams; Overall System Schematic Diagram

Samsung CK95
25 pages
To Previous Page IconTo Previous Page
To Previous Page IconTo Previous Page
Loading...
9-1 Samsung Electronics
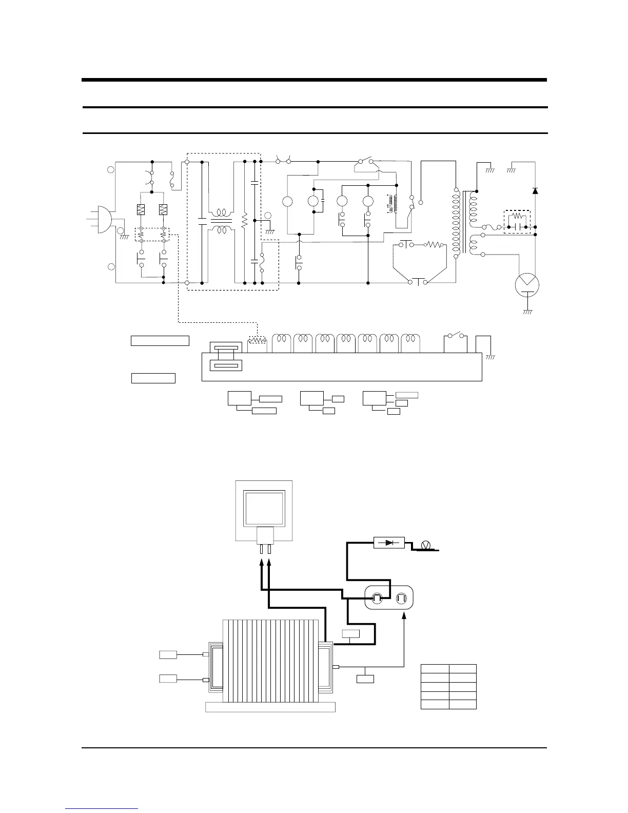
9. Schematic Diagrams
9-1 Schematic Diagrams
230V~
50Hz
BRN
BLK
BRN BRN
BRN
WHT
BRN
WHT
WHT
PNK
RED
RED
COM
NC
NO
ORG
ORG
GRN
BLU
BLU
BLU
BLU
BLU
YEL
YEL
ORG
ORG
ORG
INRUSH
RELAY
MAIN
RELAY
POWER
RELAY
RESISTOR
MONITER
SWITCH
FUSE 10A
500K
2200pF 2200pF
LAMP
DRIVE MOTER
0.1uF+120ohm
FAN
MOTOR
FAN
MOTOR
RELAY
CONV
MOTOR
RELAY
CONV
MOTOR
LIN-CAPACITORT 0.1uF
BLK
BLK
BLK
BLU
L
N
E
F
V/G
GRILL
HEATER
ASSY CHOCK P.C.B
MGT
T.C.O
PRIMARY
SWITCH
GRILL
T.C.O
F FA
MAGNETRON
NO
COM
NO
COM
NO
NC
RED BLU
WHT
ORG
ORG
BRN RED
WHT YEL
BRN
COM
0V
GRILL
RELAY
YEL
WHT
WHT
BLU
BLU
CONV
HEATER
CONV
RELAY
FM
H.V.T
H.V.D
H.V.C
MONITER
FUSE (1.6A)
H.V.FUSE
(0.8A)
1mH
L.V.T
PRIMARY LATCH
SWITCH
DOOR SENSING
SWITCH
MONITOR
SWITCH
KEY BOARD
CONDITION OF OVEN
DOOR IS OPENED
BRN : BROWN
WHT : WHITE
RED : RED
Y/G : YELLOW/GREEN
BLU : BLUE
ORG : ORANGE
YEL : YELLOW
PNK : PINK
COOK OFF
WIRING COLOR
A S S Y M A I N P.C.B
Thermistor
Sensor
Thermistor
Sensor
DM
L
CM
Grill Heater
Relay
Main
Relay
Power
Relay
Conv Motor
Relay
Fan Motor
Relay
Inrush
Relay
Conv Heater
Relay
Door Sensing
Switch
MAGNETRON
FA
F
RED
RED
RED
RED
SYMBOL COLOR
BRN BROWN
BLK BLACK
RED RED
BLU BLUE
WHT
BLK
HIGH VOLTAGE
TRANSFORMER
HIGH VOLTAGE CAPACITOR
HIGH VOLTAGE
DIODE
TO CHASSIS
H.V.FUSE

Related product manuals