EasyManua.ls Logo

Samsung LN40A650 - Conexión de un Reproductor de Vídeo

Samsung LN40A650
129 pages
Print Icon
To Next Page IconTo Next Page
To Next Page IconTo Next Page
To Previous Page IconTo Previous Page
To Previous Page IconTo Previous Page
Loading...
Español - 10
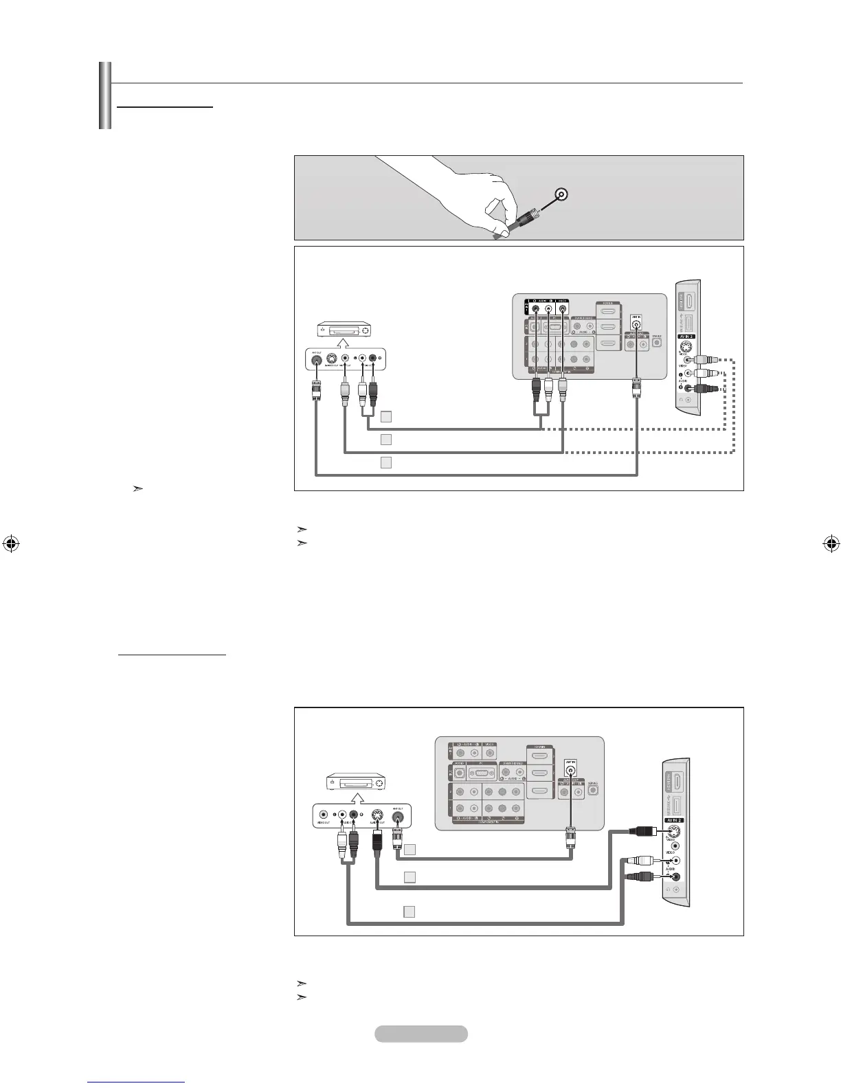
Conexión de un reproductor de vídeo
Estas instrucciones presuponen que ya ha conectado el TV a una antena o sistema de TV por cable (siguiendo las instrucciones
de las páginas 6~7). Si aún no ha conectado el TV a una antena o un sistema de cable, sáltese el paso 1.
1.
Desconecte el cable o la
antena de la parte posterior
del TV.
2.
Conecte el cable o la
antena en la terminal ANT
IN de la parte posterior del
reproductor de vídeo.
3.
Conecte el cable RF entre
el terminal ANT OUT del
reproductor de vídeo y el
terminal ANT IN del televisor.
4.
Conecte un cable de vídeo
entre la toma VIDEO OUT
del reproductor de vídeo y
la toma AV IN 1 o AV IN 2
[VIDEO] del televisor.
5.
Conecte un juego de cables
de audio entre los conectores
AUDIO OUT del reproductor
de VCR y los conectores AV
IN 1 (o AV IN 2) [R-AUDIO-L]
del TV.
Si tiene un reproductor de
vídeo “mono” (sin estéreo),
use el conector Y (no
suministrado) para
conectar los conectores de
entrada de audio izquierdo
o derecho del TV. Si el
vídeo es estéreo, tendrá
que conectar dos cables.
Siga las instrucciones de “Visualización de una cinta de vídeo o de cámara de vídeo” para
ver sus cintas.
Cada aparato de vídeo tiene una configuración diferente del panel posterior.
Cuando conecte un dispositivo externo, debe hacer coincidir los colores de la terminal
de conexión y del cable.
ANT IN
Conexión de S-Vídeo
Este televisor Samsung se puede conectar a una señal S-Vídeo procedente de un reproductor de vídeo S-VHS.
(Esta conexión ofrece mejor calidad de imagen con relación a un reproductor de vídeo VHS normal.)
1. Para empezar, siga los
pasos 1 a 3 del apartado
anterior para conectar la
antena o el sistema de
cable al reproductor de
VCR y al TV.
2.
Conecte un cable de S-Vídeo
entre la toma de salida de
S-Vídeo del reproductor y la
toma de entrada de AV IN 2
[S-VIDEO] del televisor.
3.
Conecte un juego de cables
de audio entre los conectores
AUDIO OUT del reproductor
de VCR y los conectores AV
IN 2 [R-AUDIO-L] del TV.
Normalmente se incluye un cable S-Video con los reproductores de vídeo S-VHS.
(En caso contrario, consulte en la tienda de electrónica.)
Cada aparato de vídeo tiene una configuración diferente del panel posterior.
Cuando conecte un dispositivo externo, debe hacer coincidir los colores de la terminal
de conexión y del cable.
Conexión de vídeo
Panel posterior del VCR
Cable de vídeo (No incluido)
4
Cable de Audio (No incluido)
5
Cable RF (No incluido)3
Panel posterior del TV
Panel lateral del TV
Panel posterior del VCR
Cable RF (No incluido)
1
Cable de Audio (No incluido)
3
Panel posterior del TV
Cable de S-Video (No incluido)
2
Panel lateral del TV
BN68-01429B-Spa-0406.indd 10 2008-04-07 ¿ÀÈÄ 4:02:54

Table of Contents

Other manuals for Samsung LN40A650

Related product manuals